GM Service Manual Online
For 1990-2009 cars only
Makes
🢒
Pontiac
🢒
1997
🢒
Sunfire
🢒
Engine
🢒
Engine Electrical
🢒 Starting and Charging Schematics
Figure
1:
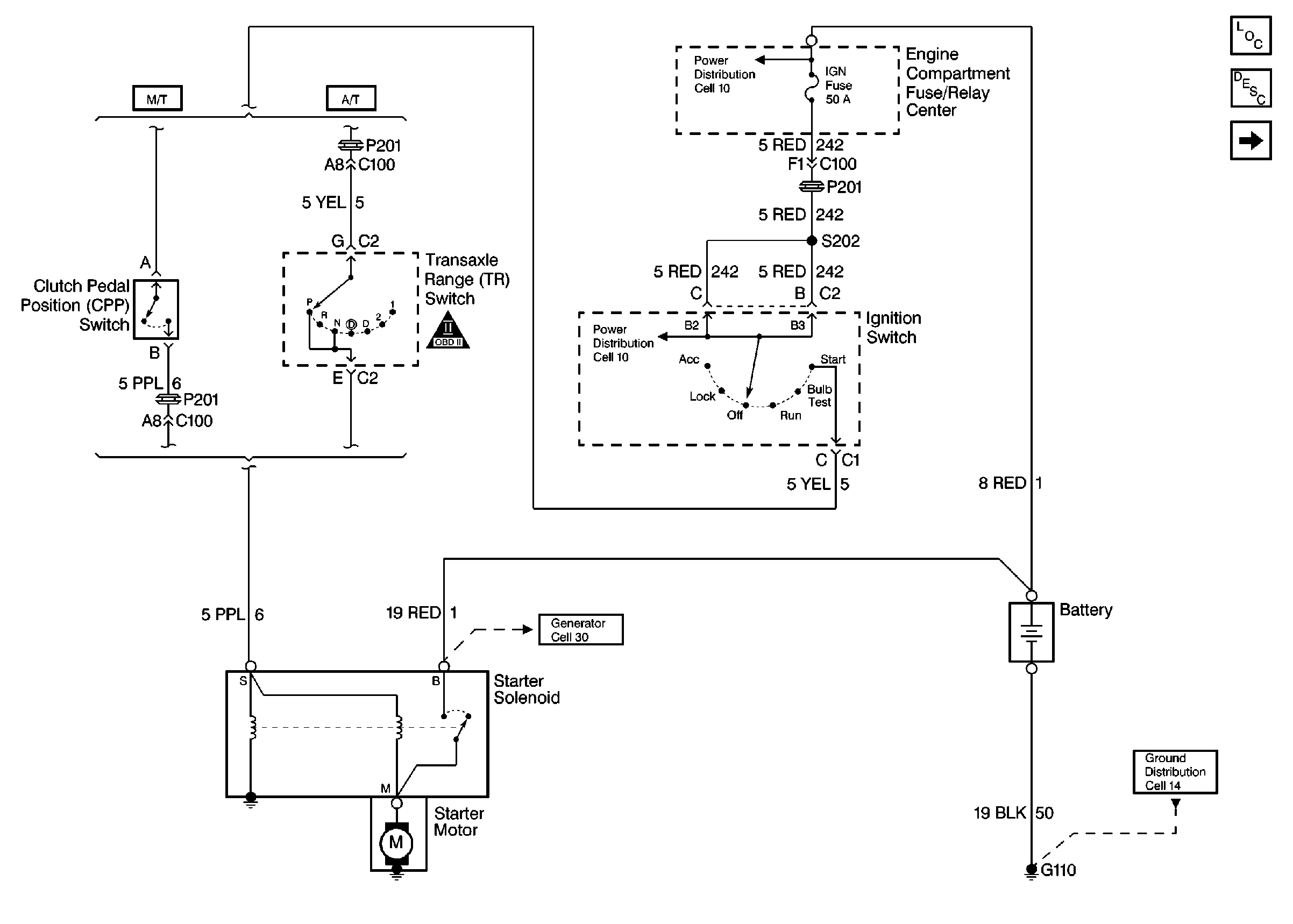
Starting System
Starting and Charging Components
Starting and Charging Circuit
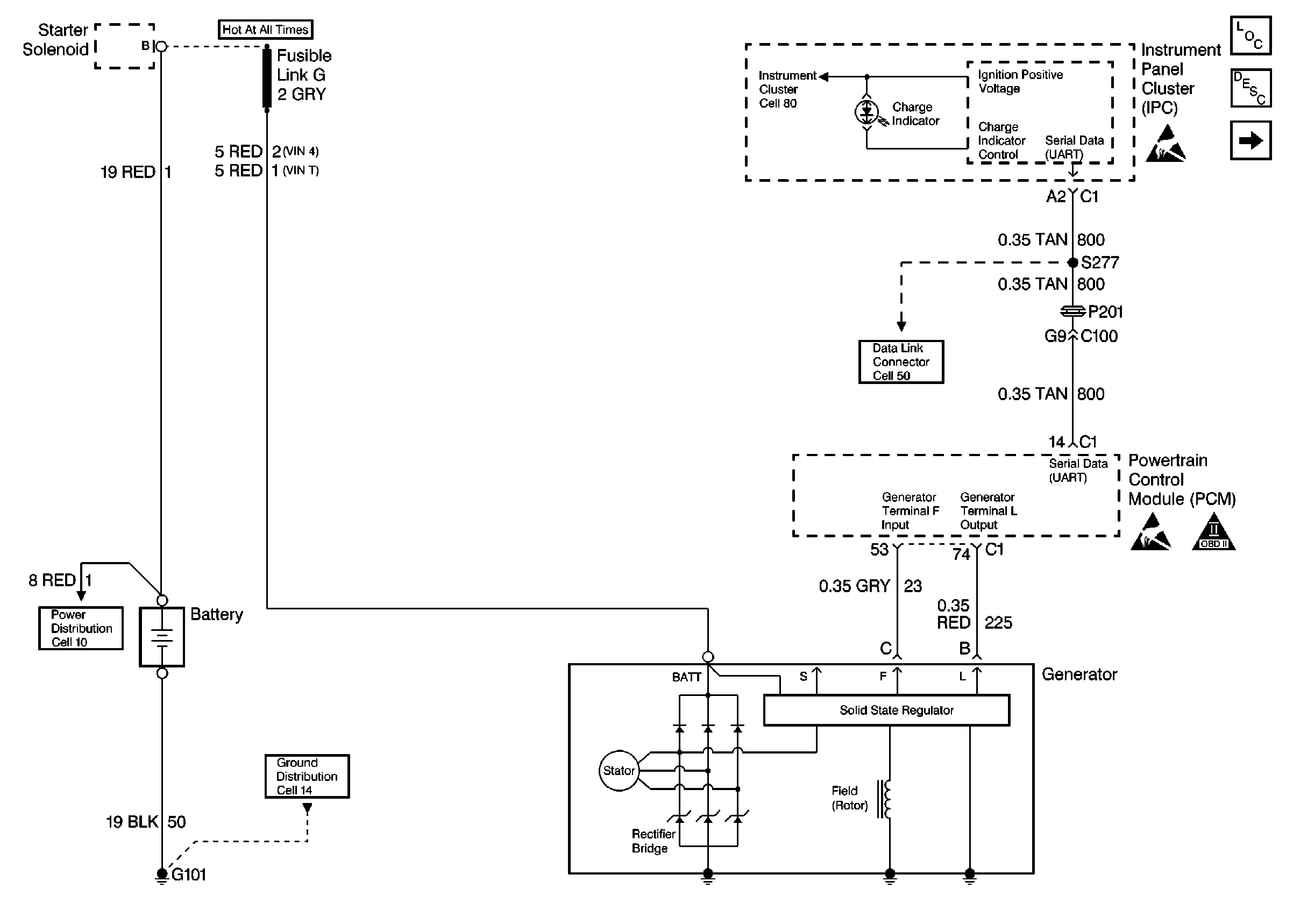
Charging System
Figure
2:
Charging System
Starting and Charging Components
Starting and Charging Circuit
Starting System
OBD II Symbol Description Notice
Handling ESD Sensitive Parts Notice
Handling ESD Sensitive Parts Notice