GM Service Manual Online
For 1990-2009 cars only
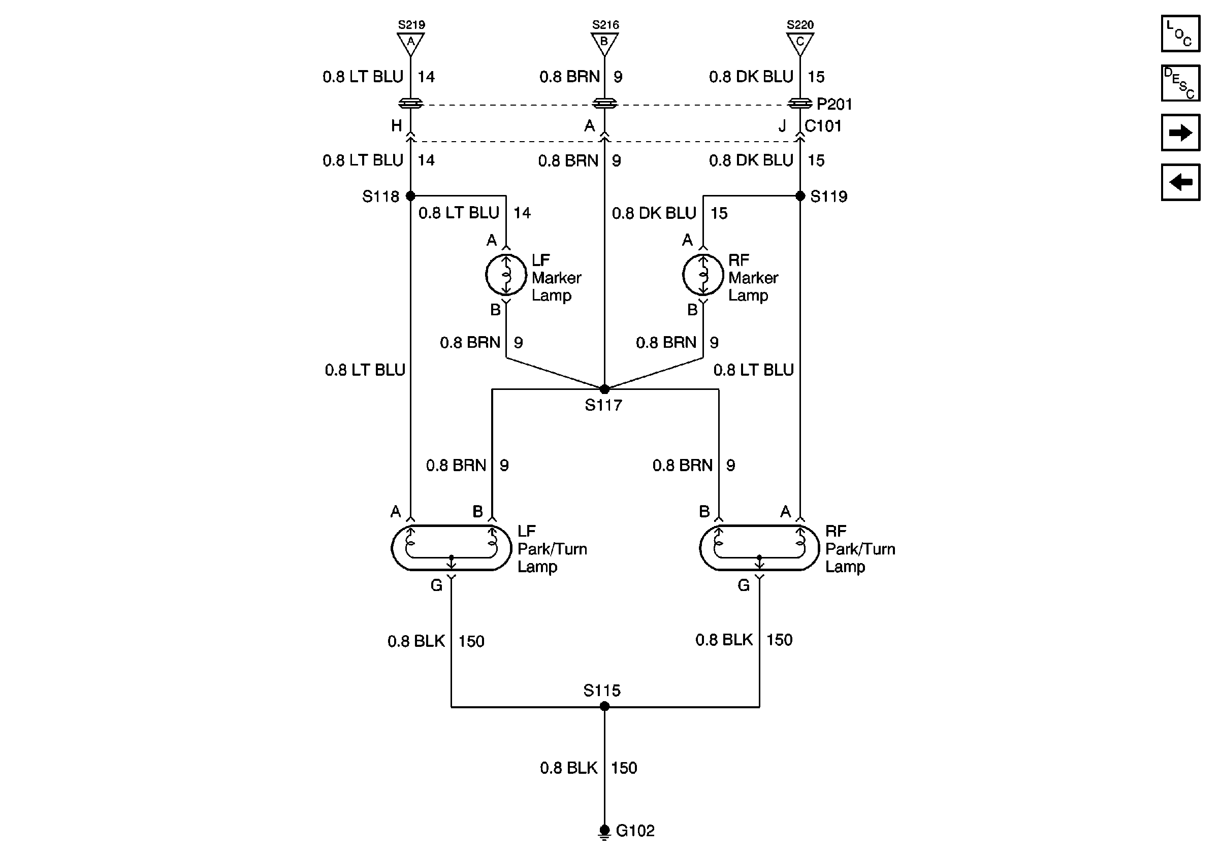
Figure 1:

Cell 110; Turn, Hazard, Headlamp Switch Assembly


Object Number: 453756  Size: FS
Lighting Systems Components
Exterior Lights Circuit Description
Cell 110: Turn, Hazard, Front Marker and Front Park Lamps
Ground Distribution Schematics
Backup Lamp Schematics
Exterior Lights Schematics
Handling ESD Sensitive Parts Notice
Ground Distribution Schematics
Cell 110: High Mounted Stop/ Turn Lamps
98 J-Car BODY Cell 110: Turn, Hazard, Front Marker and Front Park Lamps Chevrole
Cell 110: Turn, Hazard, Front Marker and Front Park Lamps
Cell 110: High Mounted Stop/ Turn Lamps
Cell 110: High Mounted Stop/ Turn Lamps
98 J-Car BODY Cell 110: Turn, Hazard, Front Marker and Front Park Lamps Chevrole
98 J-Car BODY Cell 110: Turn, Hazard, Front Marker and Front Park Lamps Chevrole
Cell 110: Turn, Hazard, Front Marker and Front Park Lamps
Cell 110: Turn, Hazard, Front Marker and Front Park Lamps
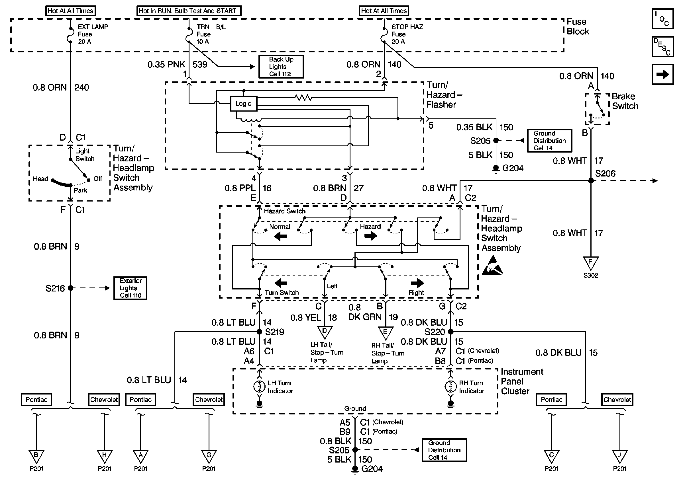
Figure 2:

Cell 110: Turn, Hazard, Front Marker and Front Park Lamps


Object Number: 453854  Size: FS
Cell 110; Turn, Hazard, Headlamp Switch Assembly
Cell 110; Turn, Hazard, Headlamp Switch Assembly
Lighting Systems Components
Exterior Lights Circuit Description
98 J-Car BODY Cell 110: Turn, Hazard, Front Marker and Front Park Lamps Chevrole
Cell 110; Turn, Hazard, Headlamp Switch Assembly
Figure 3:

Cell 110: High Mounted Stop/ Turn Lamps


Object Number: 453865  Size: FS
Lighting Systems Components
Exterior Lights Circuit Description
Cell 110: Tail, Rear Marker and License Lamps
98 J-Car BODY Cell 110: Turn, Hazard, Front Marker and Front Park Lamps Chevrole
Cell 110; Turn, Hazard, Headlamp Switch Assembly
Cell 110; Turn, Hazard, Headlamp Switch Assembly
Cell 110; Turn, Hazard, Headlamp Switch Assembly
Ground Distribution Schematics
Ground Distribution Schematics
Figure 4:

Cell 110: Tail, Rear Marker and License Lamps


Object Number: 453869  Size: FS
Power Distribution Schematics
Power Distribution Schematics
Ground Distribution Schematics
Lighting Systems Components
Exterior Lights Circuit Description
Cell 110: High Mounted Stop/ Turn Lamps