GM Service Manual Online
For 1990-2009 cars only
Makes
🢒
Pontiac
🢒
2000
🢒
Sunfire
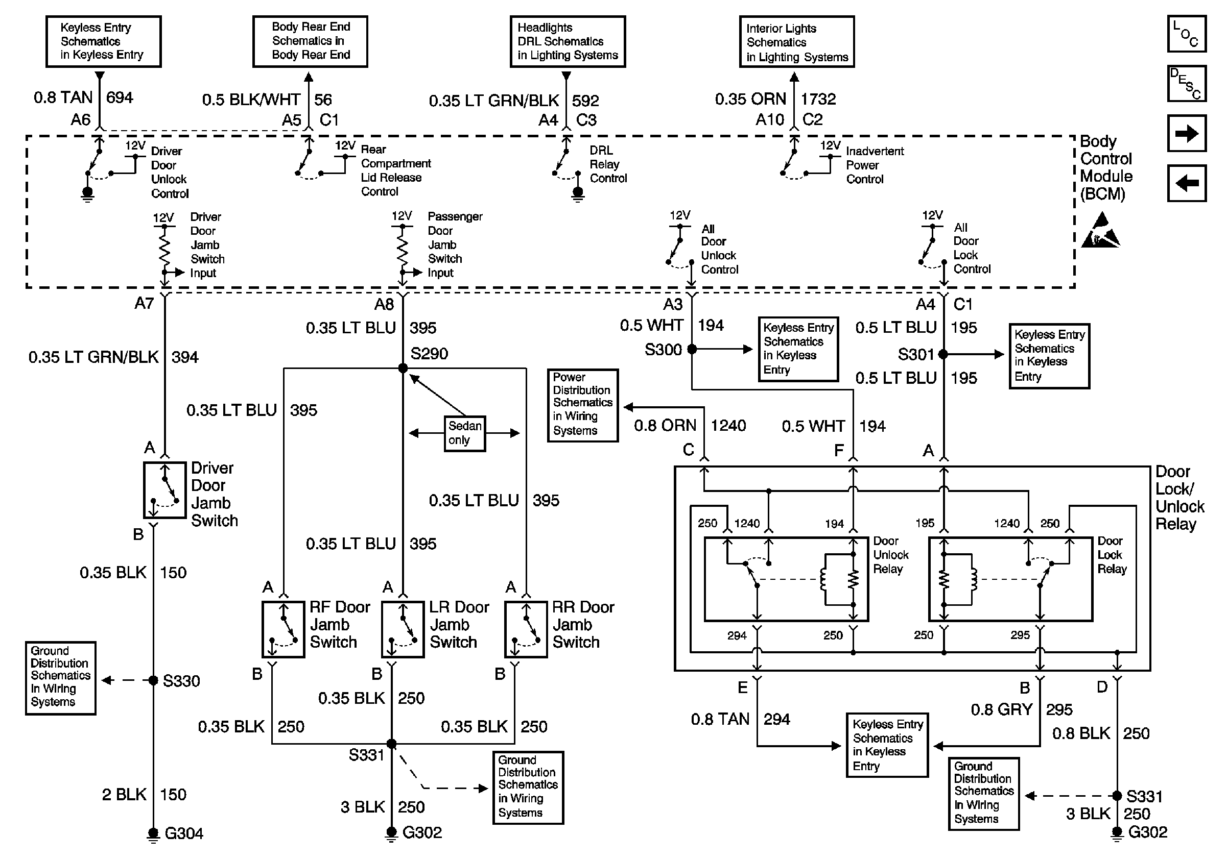
🢒 Door Jamb Switches and Door Lock/Unlock Relay
Door Jamb Switches and Door Lock/Unlock Relay
Door Jamb Switches and Door Lock/Unlock Relay
Keyless Entry Schematics
Body Rear End Schematics
Headlights/Daytime Running Lights (DRL) Schematics
Interior Lights Schematics
Body Control Module Components
Body Control System Description
Passlock Sensor™, Fog Lamp, Instrument Panel Dimmer, ETS Off and Ignition Switches
Park Brake Switch, Low Coolant Switch, and Brake Fluid Level Switch
Keyless Entry Schematics
Keyless Entry Schematics
Keyless Entry Schematics
Ground Distribution Schematics
Ground Distribution Schematics
Ground Distribution Schematics
Power Distribution Schematics