GM Service Manual Online
For 1990-2009 cars only
Makes
🢒
Pontiac
🢒
2000
🢒
Sunfire
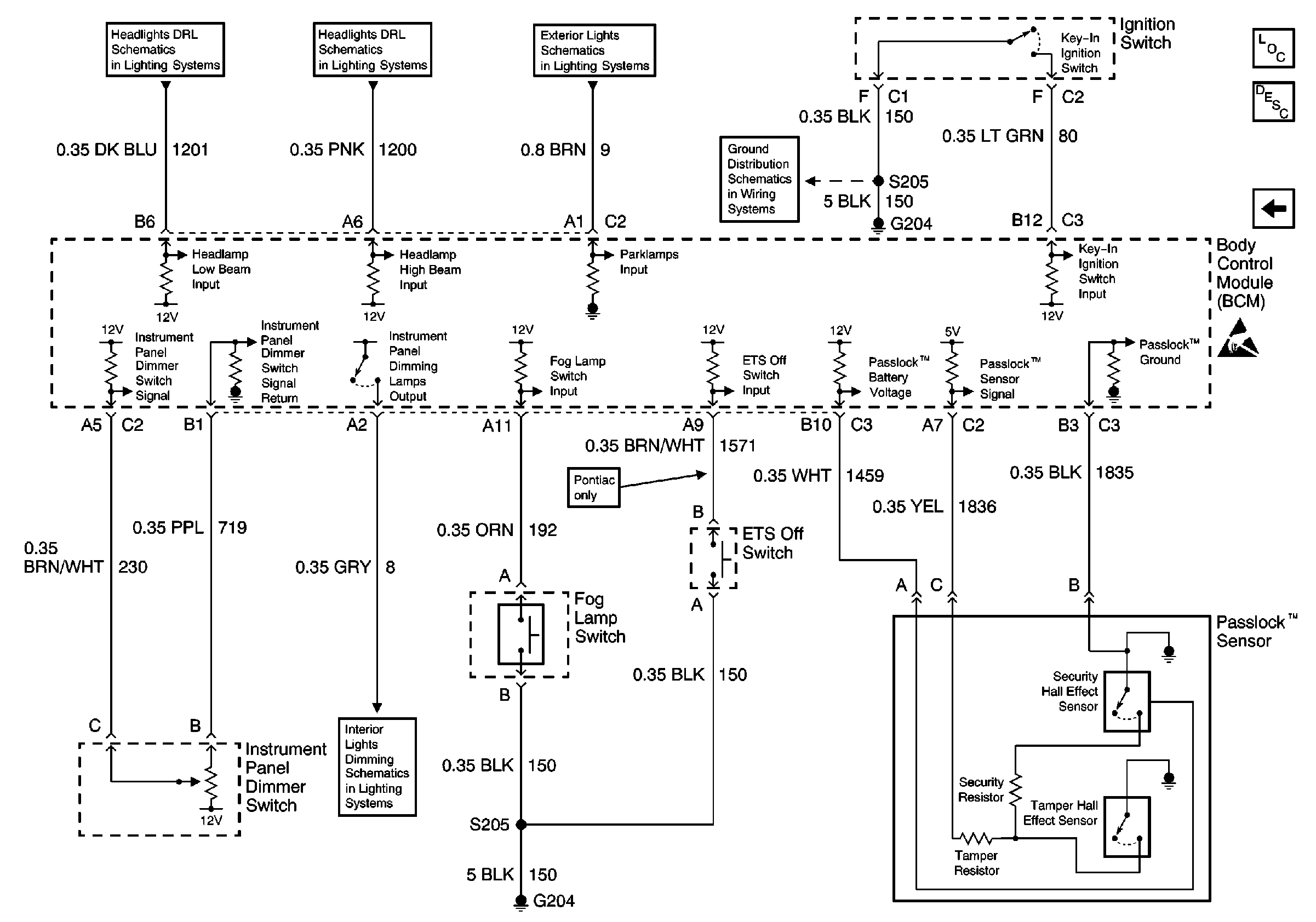
🢒 Passlock Sensor™, Fog Lamp, Instrument Panel Dimmer, ETS Off and Ignition Switches
Passlock Sensor™, Fog Lamp, Instrument Panel Dimmer, ETS Off and Ignition Switches
Passlock Sensorâ„¢, Fog Lamp, Instrument Panel Dimmer, ETS Off and Ignition Switches
Headlights/Daytime Running Lights (DRL) Schematics
Headlights/Daytime Running Lights (DRL) Schematics
Exterior Lights Schematics
Body Control Module Components
Body Control System Description
Door Jamb Switches and Door Lock/Unlock Relay
Ground Distribution Schematics
Interior Lights Dimming Schematics