GM Service Manual Online
For 1990-2009 cars only

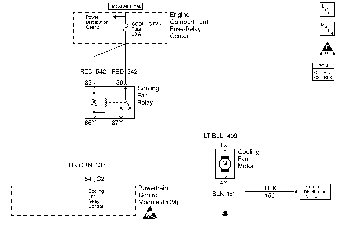
Object Number: 50811  Size: MF
Engine Controls Component Views
Powertrain Control Module Connector End Views
Power, Ground, EBCM, and Cooling Fan Motor
OBD II Symbol Description Notice
Powertrain Control Module Connector End Views
Handling ESD Sensitive Parts Notice

Circuit Description

The electric cooling fan is controlled by the powertrain control module (PCM) through the cooling fan relay based on inputs from the following components:

    • The engine coolant temperature (ECT) sensor
    • The intake air temperature (IAT) sensor
    • The A/C selector switch
    • The A/C refrigerant pressure sensor
    • The vehicle speed sensor (VSS)

The PCM controls the cooling fan by grounding the cooling fan control circuit which turns ON the cooling fan relay.

The cooling fan relay will be commanded ON when the following conditions are met:

    • The engine coolant temperature reaches 106°C (223°F) or more.
    • The A/C clutch is requested
    • The vehicle speed is less than 38 MPH.

The cooling fan relay will be commanded ON regardless of the vehicle speed when the following conditions are met:

    • A DTC is set that requests the coolant fan to be ON.
    • The engine coolant temperature is 151°C (304°F) or more.
    • The A/C refrigerant pressure is high.

The cooling fan may be commanded ON when the engine is not running during a fan run-on condition described in the electric cooling fan general description portion of the service manual.

Conditions for Running the DTC

    • The engine is running.
    • The battery voltage is more than 9.5 volts.

Conditions for Setting the DTC

    • The PCM detects that the commanded state of the driver and the actual state of the control circuit do not match.
    • The condition must be present for a minimum of 6.25 seconds.

Action Taken When the DTC Sets

    • The powertrain control module (PCM) will illuminate the malfunction indicator lamp (MIL) after two consecutive ignition cycles in which the diagnostic runs with the fault active.
    • The PCM will record the operating conditions at the time during which the diagnostic fails. This information will store in the Freeze Frame and/or Failure Records.

Conditions for Clearing the MIL/DTC

    • The MIL will turn OFF after three consecutive ignition cycles in which the diagnostic runs without a fault.
    • A history DTC will clear after 40 consecutive warm-up cycles without a fault.
    • Use a scan tool to clear the DTCs.

Diagnostic Aids

    • If the owner complained of an overheating problem, determine if the complaint was due to an actual boil-over, or if the Temp light or the temperature gauge indicated overheating.
    • Check for the proper amount of coolant in the system.
    • If the gauge or light indicates overheating but no boil-over is detected, the gauge or light circuit should be inspected. You can also check the gauge accuracy by comparing it to the engine coolant temperature sensor reading using a scan tool with the gauge reading.
    • If the engine is actually overheating, and the gauge indicates overheating but the cooling fan is not coming ON, the engine coolant temperature (ECT) sensor may have shifted out of calibration and should be checked. Refer to Temperature Versus Resistance .
    • If the engine is overheating, and the coolant fan is ON, the cooling system should be checked. Refer to the cooling and radiator section of the service manual.

Test Description

The numbers below refers to the step numbers on the diagnostic table.

  1. Listen for an audible click when the fan control relay operates. Be sure that both the ON and the OFF states are commanded. Repeat the commands as necessary.

  2. This check can detect a partially-shorted coil which would cause an excessive current flow. Allow the coil to warm up by leaving the circuit energized for 2 minutes. When the fan control relay is warm, the coil may open, and the amps will drop to 0, or the coil may short, and the amps will be more than 0.75 amp.

  3. It is important to identify and test the fan control relay coil terminals in order to avoid an improper diagnosis.

  4. Reprogram the replacement PCM and perform the crankshaft position system variation learn procedure. Refer to the latest Techline™ information for PCM programming.

DTC P0480 Fan Control Relay Control Circuit

Step

Action

Value(s)

Yes

No

1

Did you perform the On-Board Diagnostic (OBD) System Check?

--

Go to Step 2

Go to Powertrain On Board Diagnostic (OBD) System Check .

2

  1. Install a scan tool.
  2. Turn ON the ignition, with the engine OFF
  3. Command the fan control relay ON and OFF with the scan tool.

Does the fan control relay turn ON and OFF with each command?

--

Go to Step 3

Go to Step 5

3

  1. Turn OFF the ignition.
  2. Disconnect the PCM electrical connector containing the fan control relay control circuit.
  3. Turn ON the ignition.
  4. Measure the current from the fan control relay control circuit in the PCM harness electrical connector to ground for 2 minutes using a DMM on the 10 Amp scale.

Does the current draw a measure less than the specified value shown but not 0?

0.75 A

Go to Diagnostic Aids

Go to Step 4

4

  1. Turn OFF the ignition.
  2. Disconnect the fan control relay.
  3. Measure the resistance from the fan control relay control circuit in the PCM harness electrical connector to ground using a DMM.

Does the DMM display infinite resistance?

--

Go to Step 12

Go to Step 10

5

  1. Turn OFF the ignition.
  2. Disconnect the fan control relay.
  3. Connect a test lamp between the following circuits in the relay harness electrical connector:
  4. • The fan control relay control terminal
    • The fan control relay battery feed terminal
  5. Turn ON the ignition.
  6. Command the fan control relay ON and OFF with the scan tool.

Does the test lamp turn ON and OFF with each command?

--

Go to Step 8

Go to Step 6

6

  1. Connect a test lamp to a ground.
  2. Probe the battery rail feed circuit in the fan control relay harness electrical connector.

Does the test lamp illuminate?

--

Go to Step 7

Go to Step 11

7

  1. Turn OFF the ignition.
  2. Reconnect the fan control relay.
  3. Disconnect the PCM electrical connector containing the fan control relay control circuit.
  4. Turn ON the ignition.
  5. Connect a fused jumper wire to a ground.
  6. Probe the fan control relay control circuit in the PCM harness electrical connector.

Does the relay operate?

--

Go to Step 9

Go to Step 10

8

  1. Turn OFF the ignition.
  2. Check the electrical connections at the fan control relay.

Did you find and correct the problem?

--

Go to Step 14

Go to Step 12

9

  1. Turn OFF the ignition.
  2. Check the electrical connections at the PCM.

Did you find and correct the problem?

--

Go to Step 14

Go to Step 13

10

  1. Turn OFF the ignition.
  2. Repair the malfunctioning fan control relay control circuit. Refer to Wiring Repairs in Wiring Systems.

Is the repair complete?

--

Go to Step 14

--

11

  1. Turn OFF the ignition.
  2. Repair the malfunctioning fan control relay battery rail feed circuit. Refer to Wiring Repairs in Wiring Systems.

Is the repair complete?

--

Go to Step 14

--

12

Replace the malfunctioning fan control relay. Refer to Air Conditioning (A/C) Compressor and Cooling Fan Relays Replacement .

Is the action complete?

--

Go to Step 14

--

13

Important: Refer to Powertrain Control Module Replacement/Programming .

Replace the PCM. Refer to Powertrain Control Module Replacement .

Did you complete the replacement?

--

Go to Step 14

--

14

  1. Using the scan tool, clear the DTCs.
  2. Start the engine.
  3. Idle the engine at the normal operating temperature.
  4. Operate the vehicle within the conditions for setting this DTC as specified in the supporting text.

Does the scan tool indicate that this test ran and passed?

--

Go to Step 15

Go to Step 2

15

Check to see if any additional DTCs are set.

Does the scan tool display any DTCs that you have not diagnosed?

--

Go to the applicable DTC table

System OK