GM Service Manual Online
For 1990-2009 cars only
Makes
🢒
Pontiac
🢒
2001
🢒
Sunfire
🢒 Ignition Controls
Ignition Controls
Ignition Controls
Master Electrical Component List
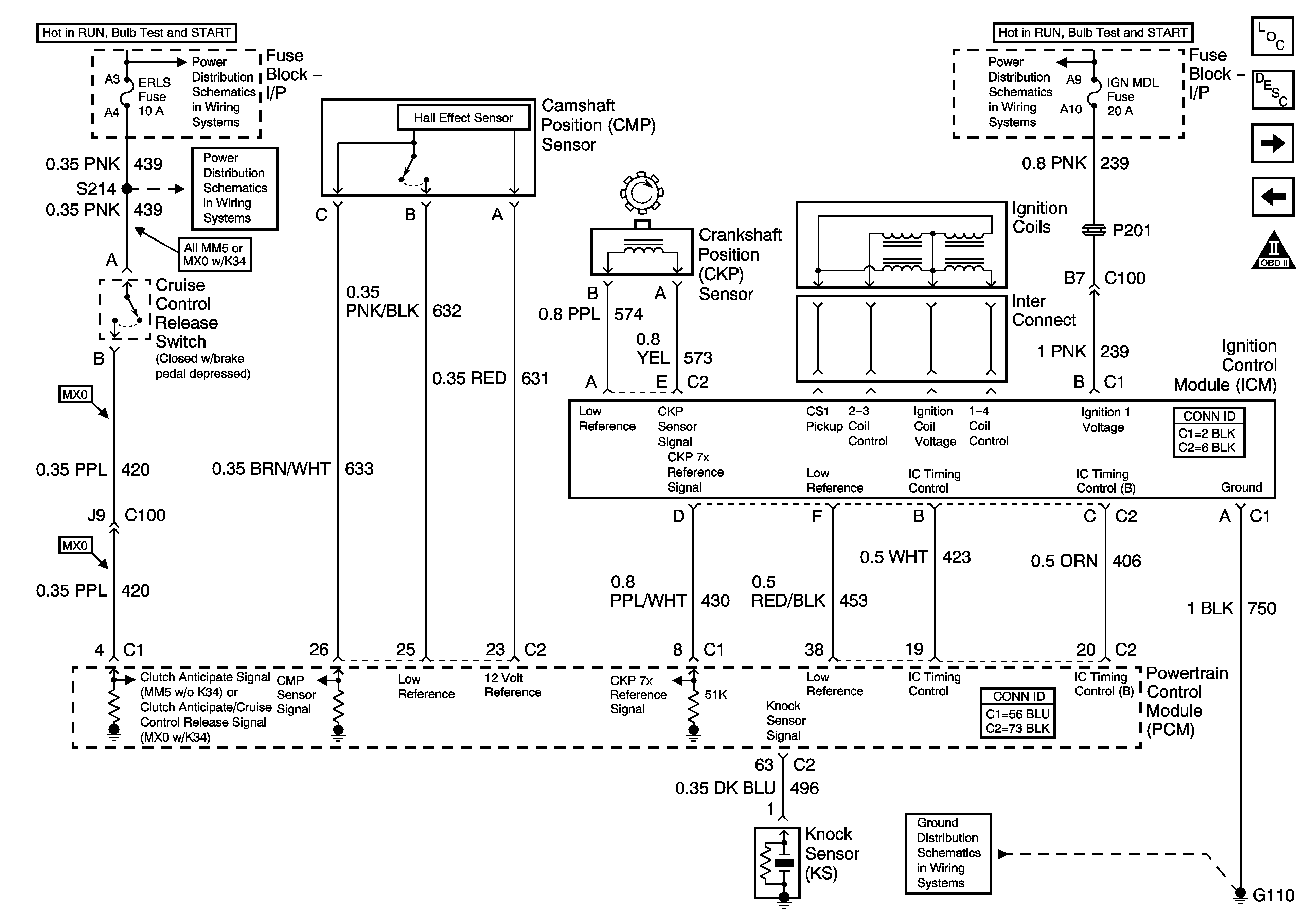
Electronic Ignition (EI) System Description
OBD II Symbol Description Notice
Fuel Delivery
Module Power, Ground, Serial Data and MIL
OBD II Symbol Description Notice
G110
IP Fuse Block TURN - B/U, IGN MDL, PCM, BCM /CLU Fuses