GM Service Manual Online
For 1990-2009 cars only
Makes
🢒
Pontiac
🢒
2001
🢒
Sunfire
🢒 Fuel Delivery
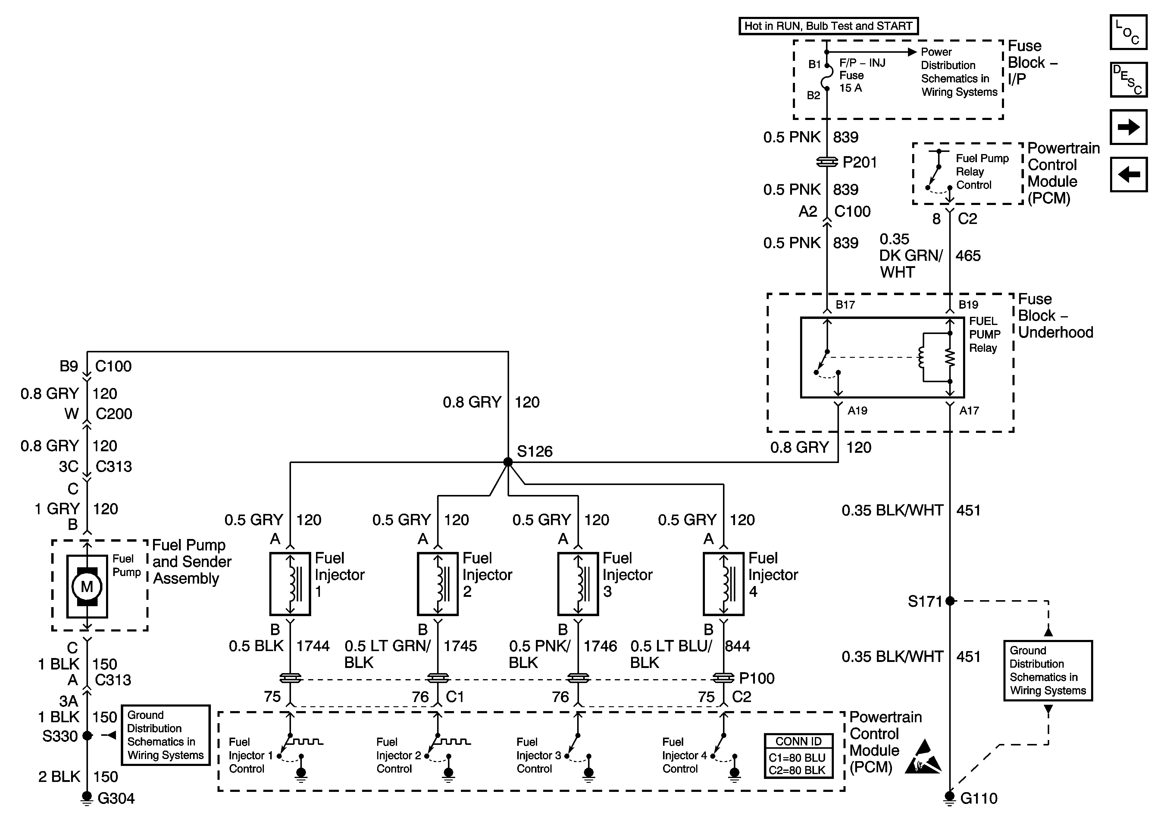
Fuel Delivery
Fuel Delivery
Master Electrical Component List
OBD II Symbol Description Notice
Engine Data Sensors - Pressure and Temperature
Ignition Controls
OBD II Symbol Description Notice
Underhood Fuse Block IGN, and ABS Fuses, IP Fuse Block ABS, F/P - INJ, AIR BG and CRUISE Fuses
G110
G304 1 of 2