GM Service Manual Online
For 1990-2009 cars only
Makes
🢒
Pontiac
🢒
2001
🢒
Sunfire
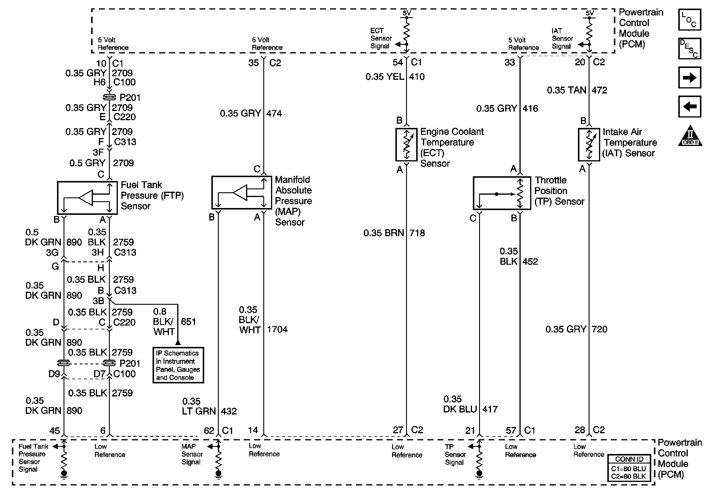
🢒 Engine Data Sensors - Pressure and Temperature
Engine Data Sensors - Pressure and Temperature
Engine Data Sensors -- Pressure and Temperature
Master Electrical Component List
OBD II Symbol Description Notice
Power, Ground and Serial Data
Ignition Controls
A/C Switch and Sensor