GM Service Manual Online
For 1990-2009 cars only
Makes
🢒
Pontiac
🢒
2001
🢒
Sunfire
🢒 Power and Ground
Power and Ground
Master Electrical Component List
OBD II Symbol Description Notice
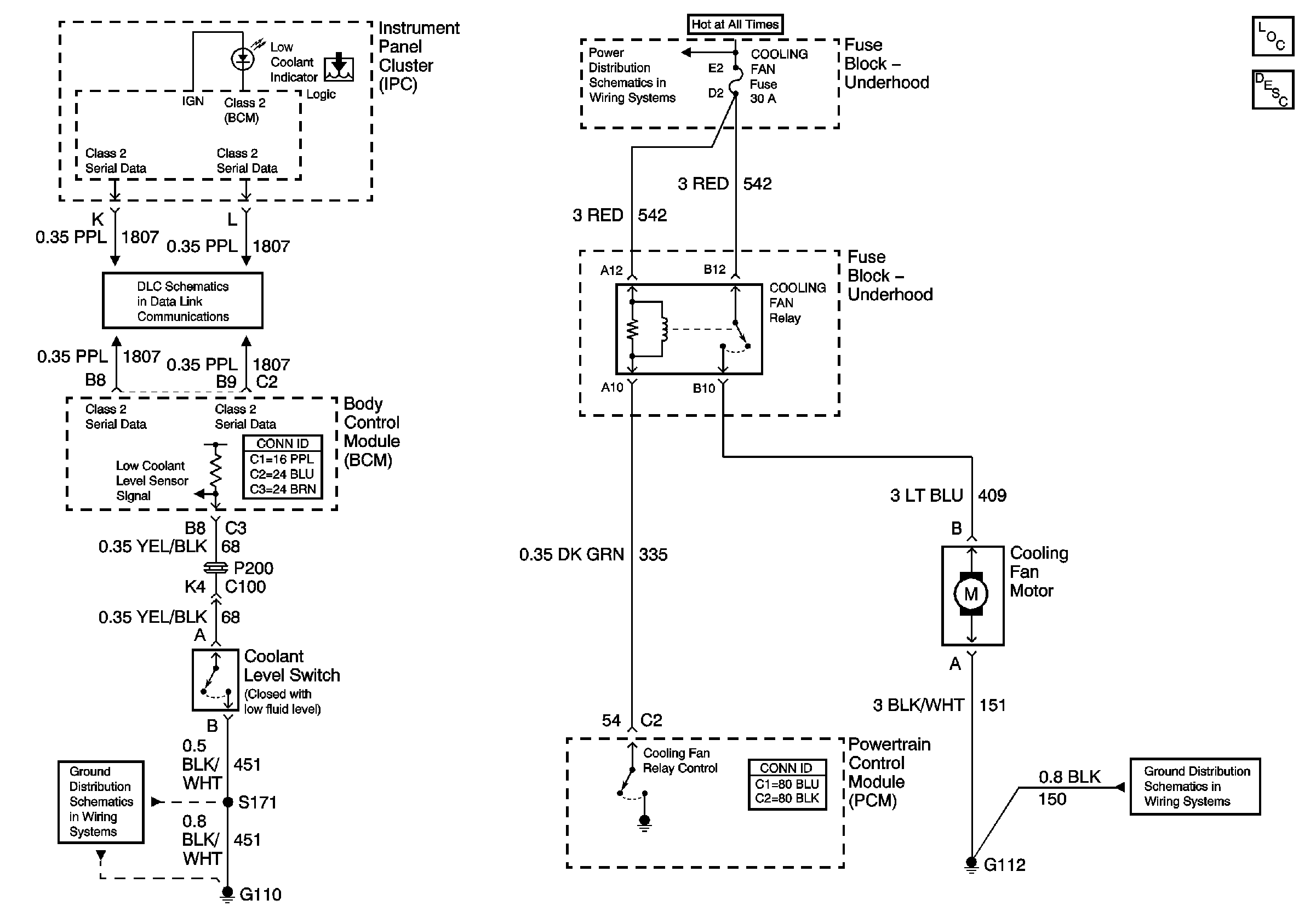
G112
B+ Bussing
Indicators and Switches
G110