GM Service Manual Online
For 1990-2009 cars only
Makes
🢒
Pontiac
🢒
2001
🢒
Sunfire
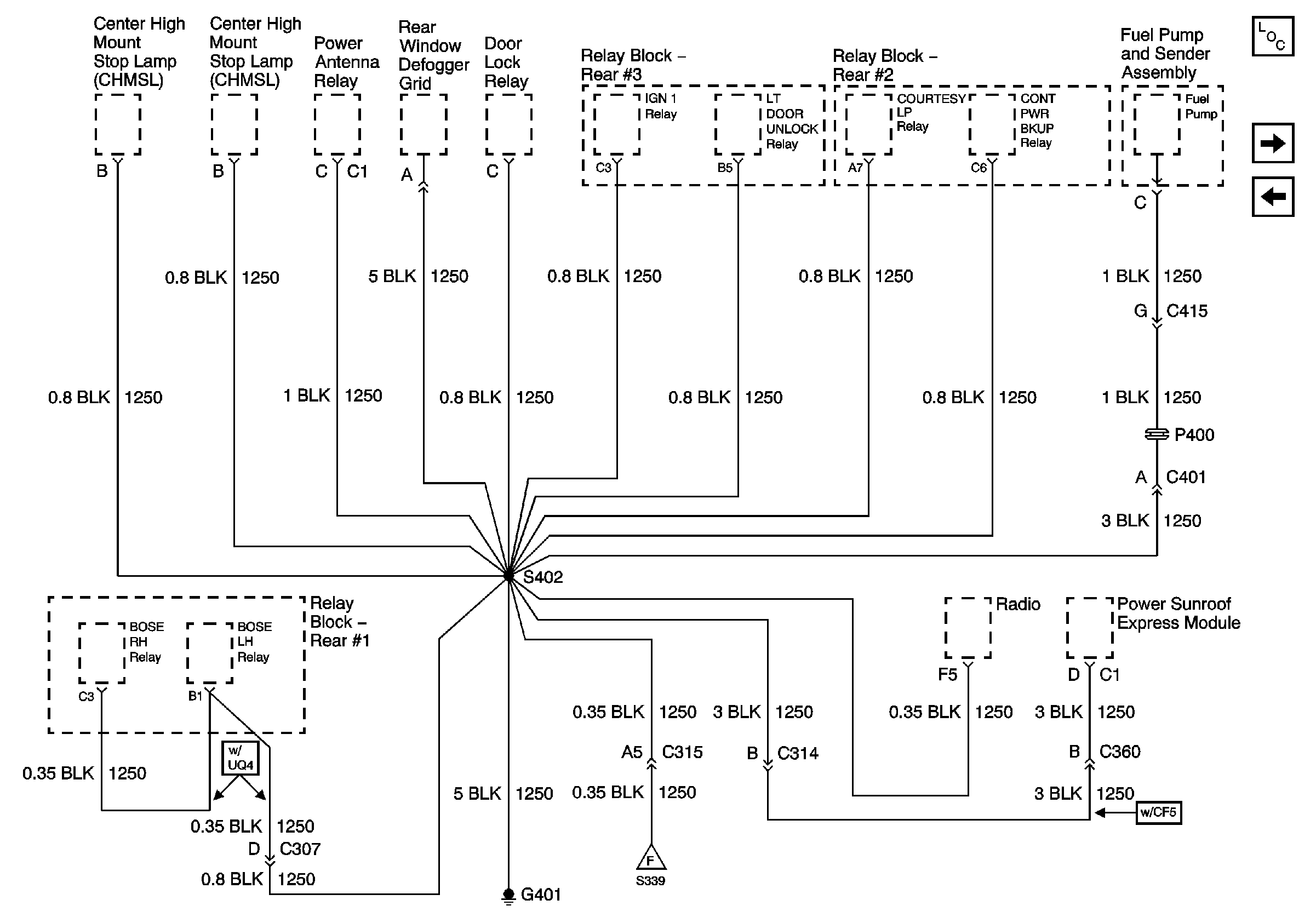
🢒 G401 (1 of 2)
G401 (1 of 2)
G401 (1 of 2)
Master Electrical Component List
G401 (2 of 2)
G400