GM Service Manual Online
For 1990-2009 cars only
Makes
🢒
Pontiac
🢒
2001
🢒
Sunfire
🢒 Lamps
Lamps
Lamps
Master Electrical Component List
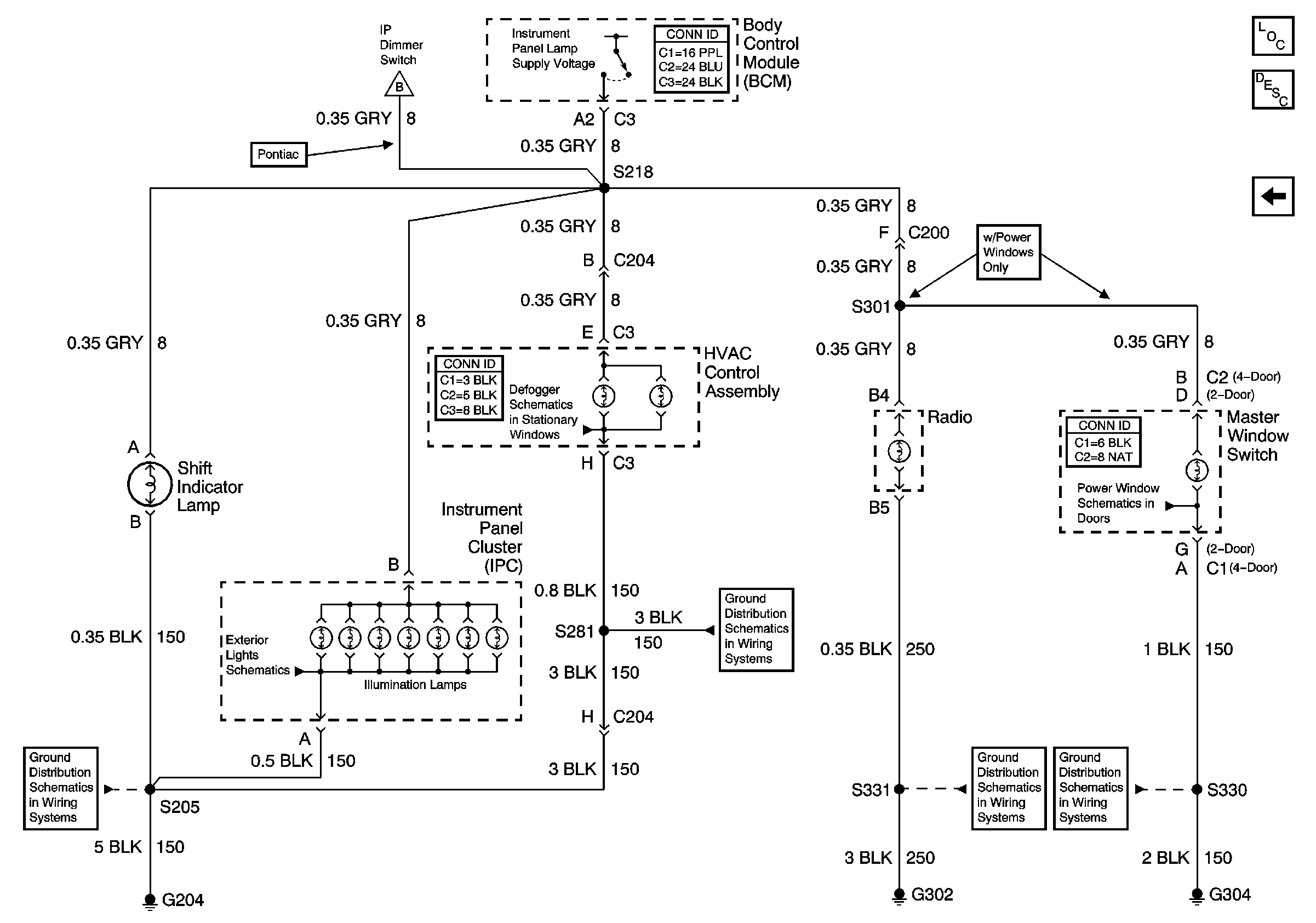
Dimmer Controls
G302
Blower Controls
Dimmer Controls
Dimmer Controls
G204 1 of 2