GM Service Manual Online
For 1990-2009 cars only
Makes
🢒
Pontiac
🢒
2001
🢒
Sunfire
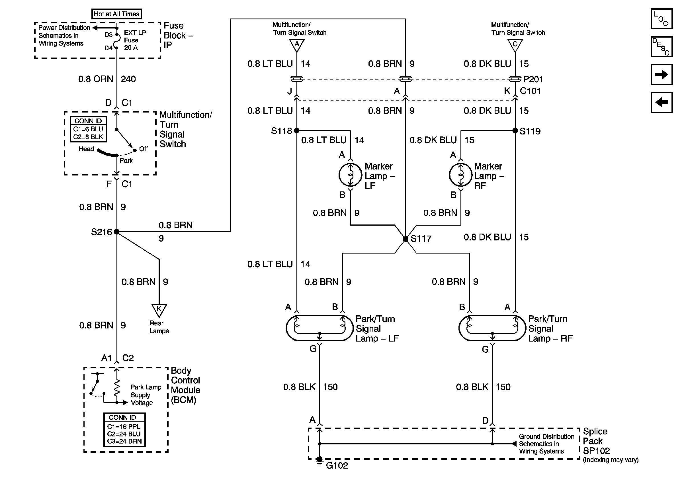
🢒 Park Lamp Controls and Front Lamps - Pontiac
Park Lamp Controls and Front Lamps - Pontiac
Park Lamp Controls and Front Lamps -- Pontiac
Master Electrical Component List
Park Lamp Controls and Front Lamps - Chevrolet
Lamp Controls, Rear Torn Lamps, and Indicators
G102 - 1 of 2
Lamp Controls, Rear Torn Lamps, and Indicators
Lamp Controls, Rear Torn Lamps, and Indicators
Lamp Controls, Rear Torn Lamps, and Indicators