GM Service Manual Online
For 1990-2009 cars only
Makes
🢒
Pontiac
🢒
2001
🢒
Sunfire
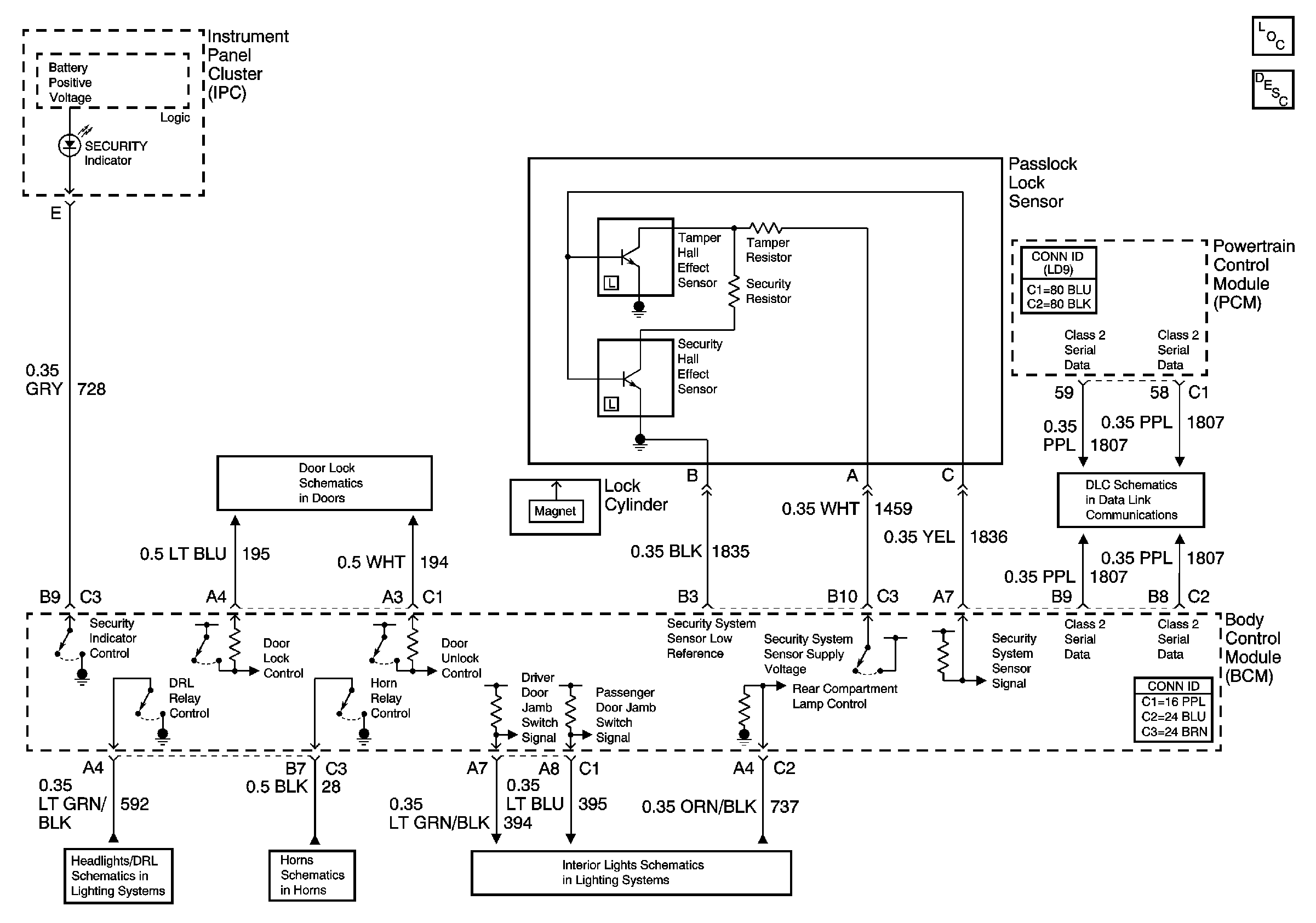
🢒 Content Theft Deterrent: Door Jamb Switches and Rear Compartment Lamp Switch
Content Theft Deterrent: Door Jamb Switches and Rear Compartment Lamp Switch
Master Electrical Component List
Switch Signals and Courtesy Lamps Control
G304 1 of 2
G302
G304 1 of 2