GM Service Manual Online
For 1990-2009 cars only
Makes
🢒
Pontiac
🢒
2001
🢒
Sunfire
🢒 Engine Data Sensors - O2S and HO2S
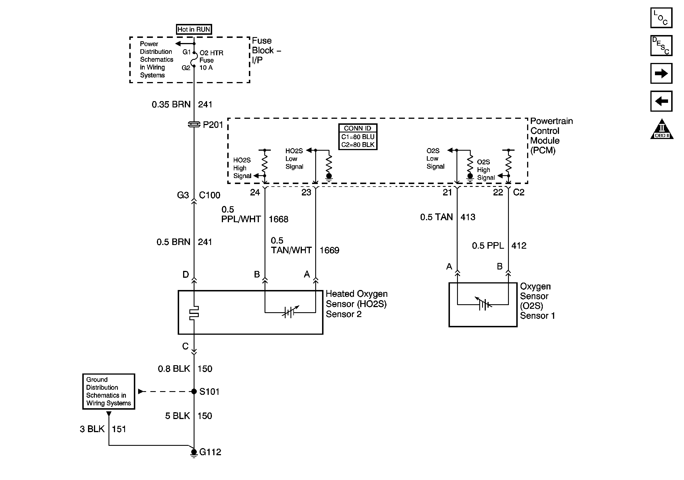
Engine Data Sensors - O2S and HO2S
Engine Data Sensors - O2S and HO2S
Master Electrical Component List
OBD II Symbol Description Notice
Generator, IAC, PNP and EOP
EVAP Controls
IP Fuse Block BCM, WIPER, HVAC, O2 HTR Fuses and PWR WDO Circuit Breaker
G112