GM Service Manual Online
For 1990-2009 cars only
Makes
🢒
Pontiac
🢒
2001
🢒
Sunfire
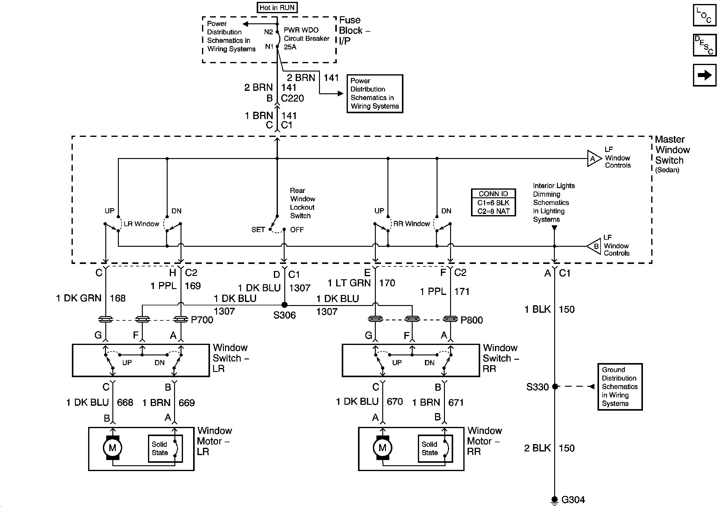
🢒 Power, Ground and Rear Window Controls - 4 Door
Power, Ground and Rear Window Controls - 4 Door
Power, Ground and Window Controls-4 Door
Master Electrical Component List
Power Windows Description and Operation
Front Window Controls - 4 Door
I/P Fuse Block BCM, WIPER, HVAC, 02 HTR Fuses and PWR WDO Circuit Breaker
Interior Controls Illumination Lamps
Front Window Controls - 4 Door
Front Window Controls - 4 Door
G304 - 1 of 2