GM Service Manual Online
For 1990-2009 cars only
Makes
🢒
Pontiac
🢒
2001
🢒
Sunfire
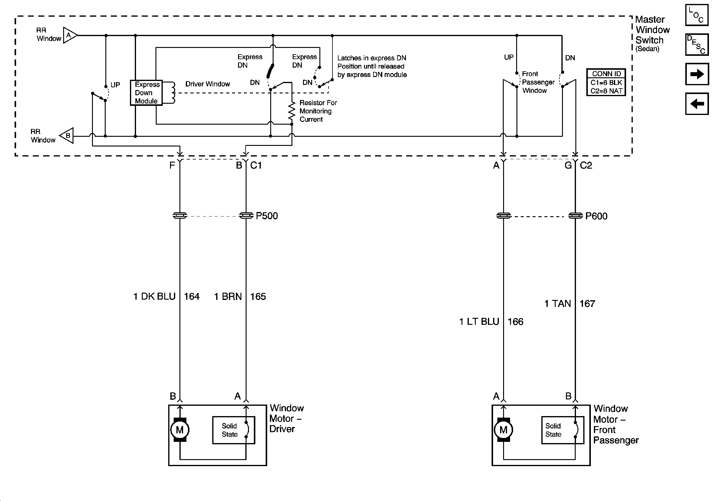
🢒 Front Window Controls - 4 Door
Front Window Controls - 4 Door
Front Window Controls-4 Door
Master Electrical Component List
Power Windows Description and Operation
Window Controls - 2 Door
Power, Ground and Rear Window Controls - 4 Door
Power, Ground and Rear Window Controls - 4 Door
Power, Ground and Rear Window Controls - 4 Door