GM Service Manual Online
For 1990-2009 cars only
Makes
🢒
Pontiac
🢒
2002
🢒
Sunfire
🢒 w/o AUO
w/o AUO
w/o AUO
Master Electrical Component List
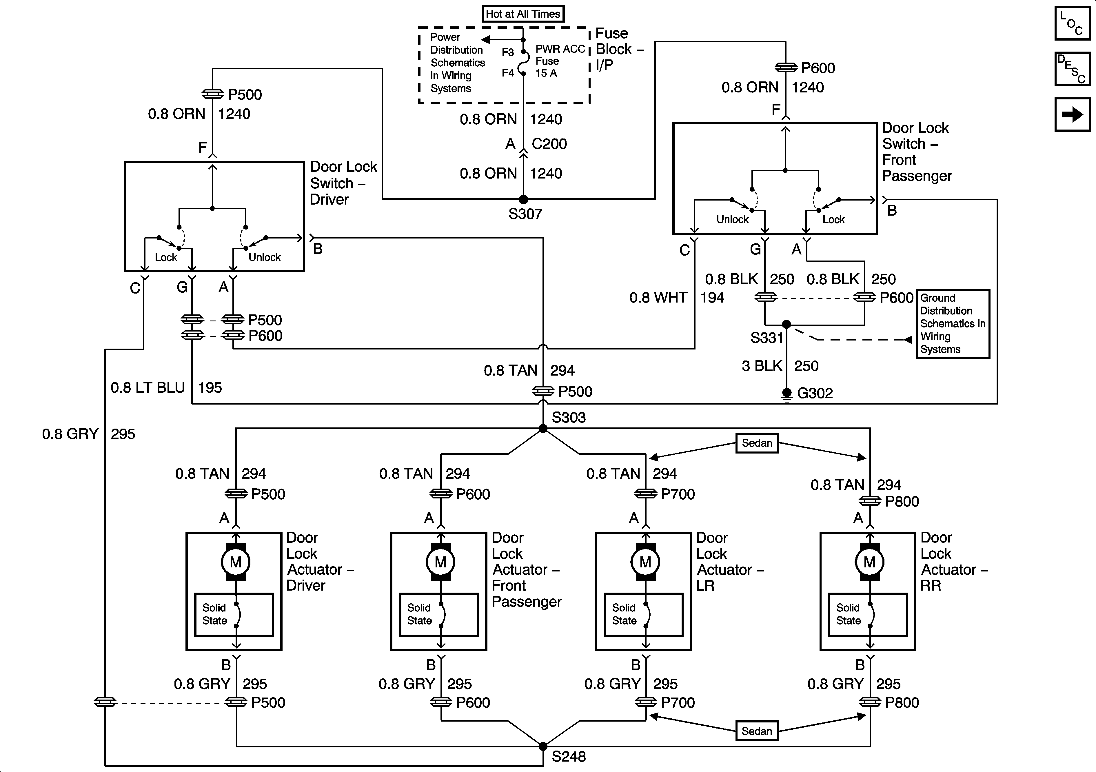
Power Door Locks Description and Operation
Switch and Controls (w/AUO)
G302