GM Service Manual Online
For 1990-2009 cars only
Makes
🢒
Pontiac
🢒
2002
🢒
Sunfire
🢒 Switch and Controls (w/AUO)
Switch and Controls (w/AUO)
Switch and Controls (w/AUO)
Master Electrical Component List
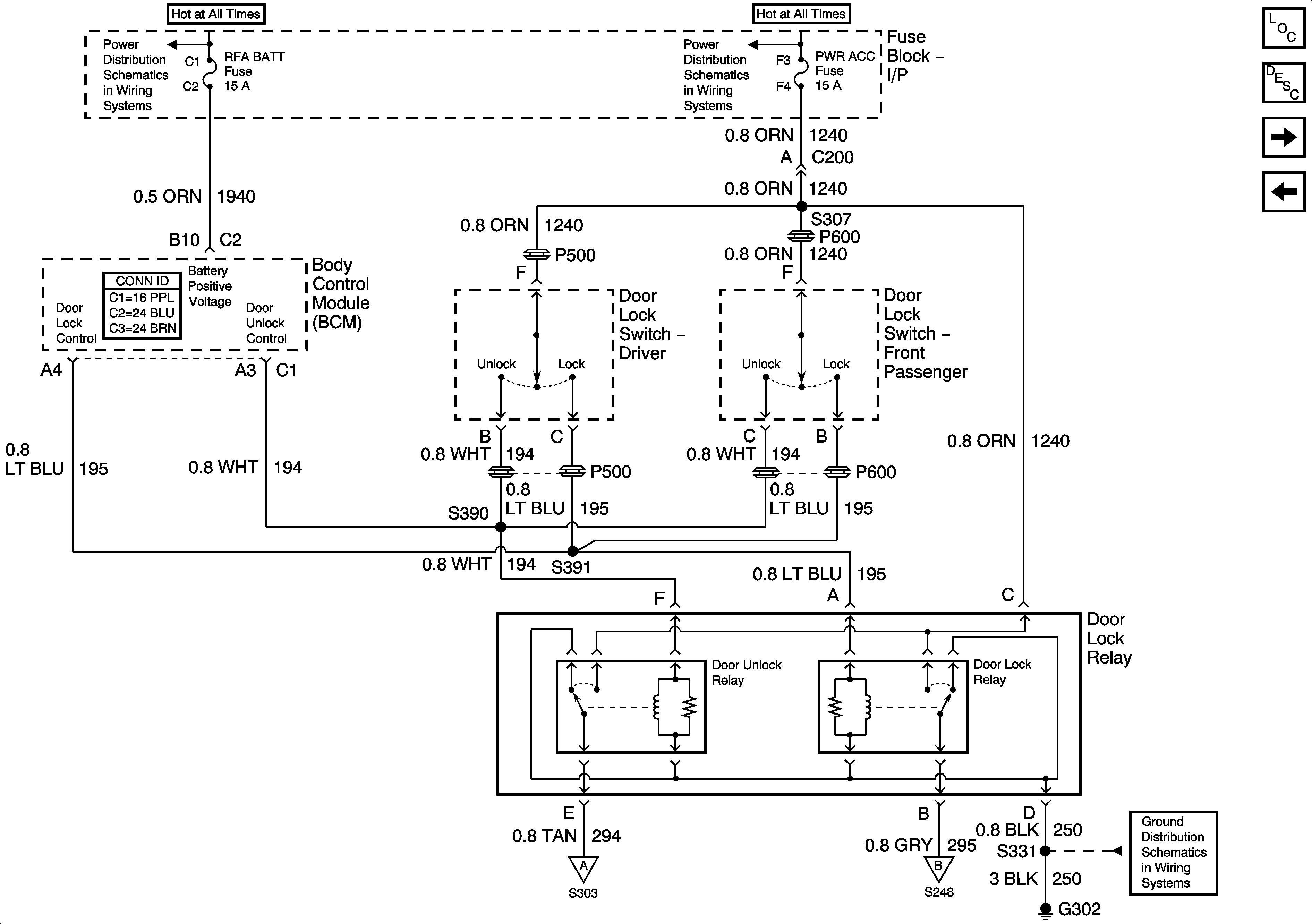
Power Door Locks Description and Operation
Door Lock Motors (w/AUO)
w/o AUO
Underhood Fuse Block BATT 1, and I/P Fuse Block MIRROR, RT HDLP, FLS/PASS, RDO/INTLP, RFA BATT and AMPL Fuses
Underhood Fuse Block BATT 2 Fuse, I/P Fuse Block RR DEFOG, PWR ACC, AUX PWR and STOP/HZD Fuses
Door Lock Motors (w/AUO)
Door Lock Motors (w/AUO)
G302