GM Service Manual Online
For 1990-2009 cars only
Makes
🢒
Pontiac
🢒
2002
🢒
Sunfire
🢒 Power Sunroof
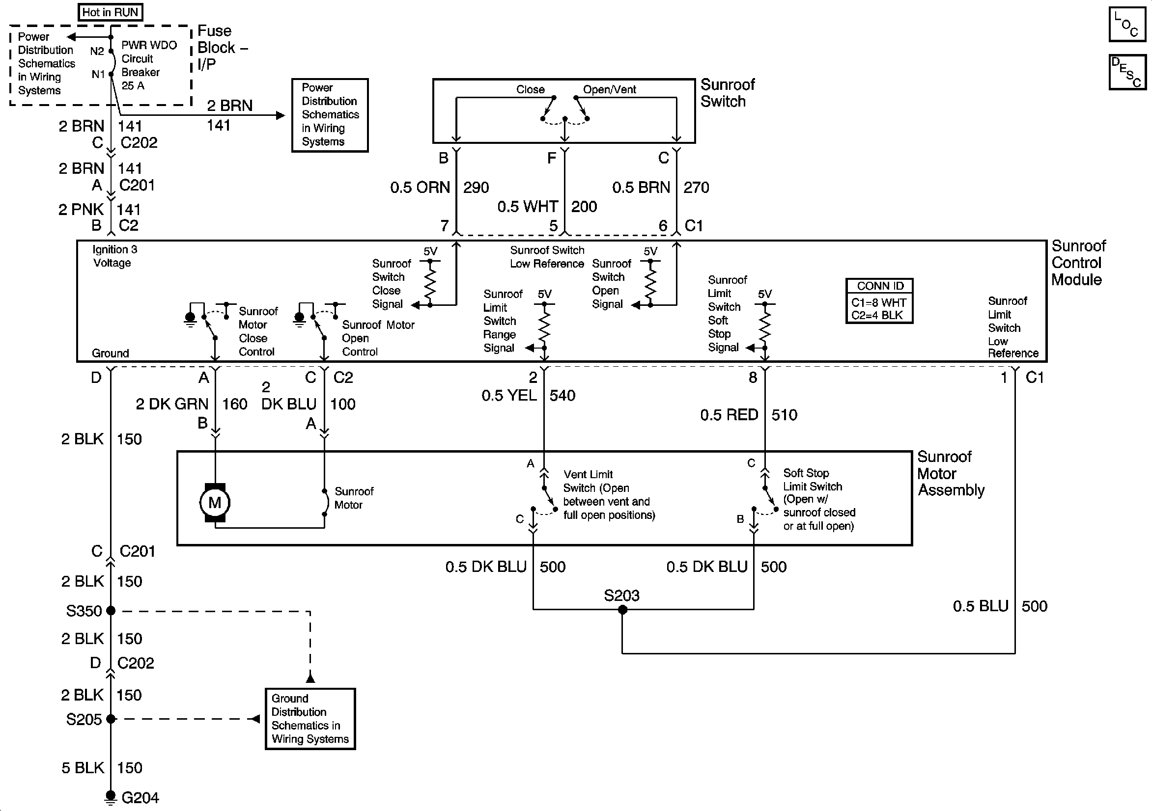
Power Sunroof
Master Electrical Component List
Sunroof Description and Operation
G204 - 1 of 2
Courtesy/Reading Lamps
I/P Fuse Block BCM, WIPER, HVAC, 02 HTR Fuses and PWR WDO Circuit Breaker
I/P Fuse Block BCM, WIPER, HVAC, 02 HTR Fuses and PWR WDO Circuit Breaker