GM Service Manual Online
For 1990-2009 cars only
Makes
🢒
Pontiac
🢒
2002
🢒
Sunfire
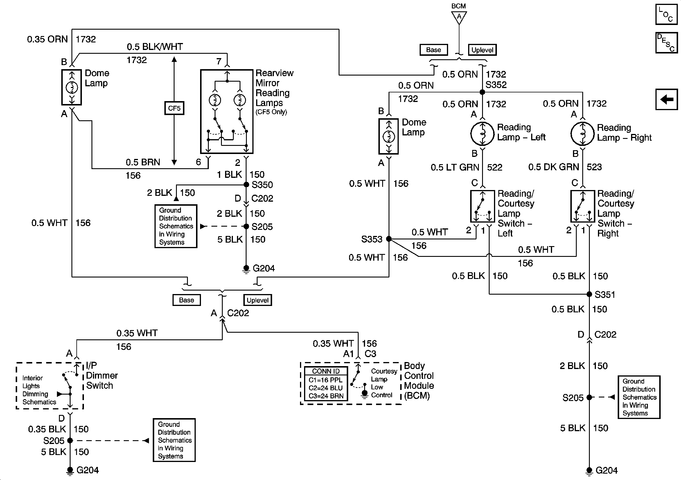
🢒 Courtesy/Reading Lamps
Courtesy/Reading Lamps
Courtesy/Reading Lamps
Master Electrical Component List
Interior Lighting Systems Description and Operation
Switch Signals and Courtesy Lamps Control
G204 - 1 of 2
G204 - 1 of 2
G204 - 1 of 2
Power Sunroof
Rear Compartment Lamp