GM Service Manual Online
For 1990-2009 cars only
Makes
🢒
Pontiac
🢒
2002
🢒
Sunfire
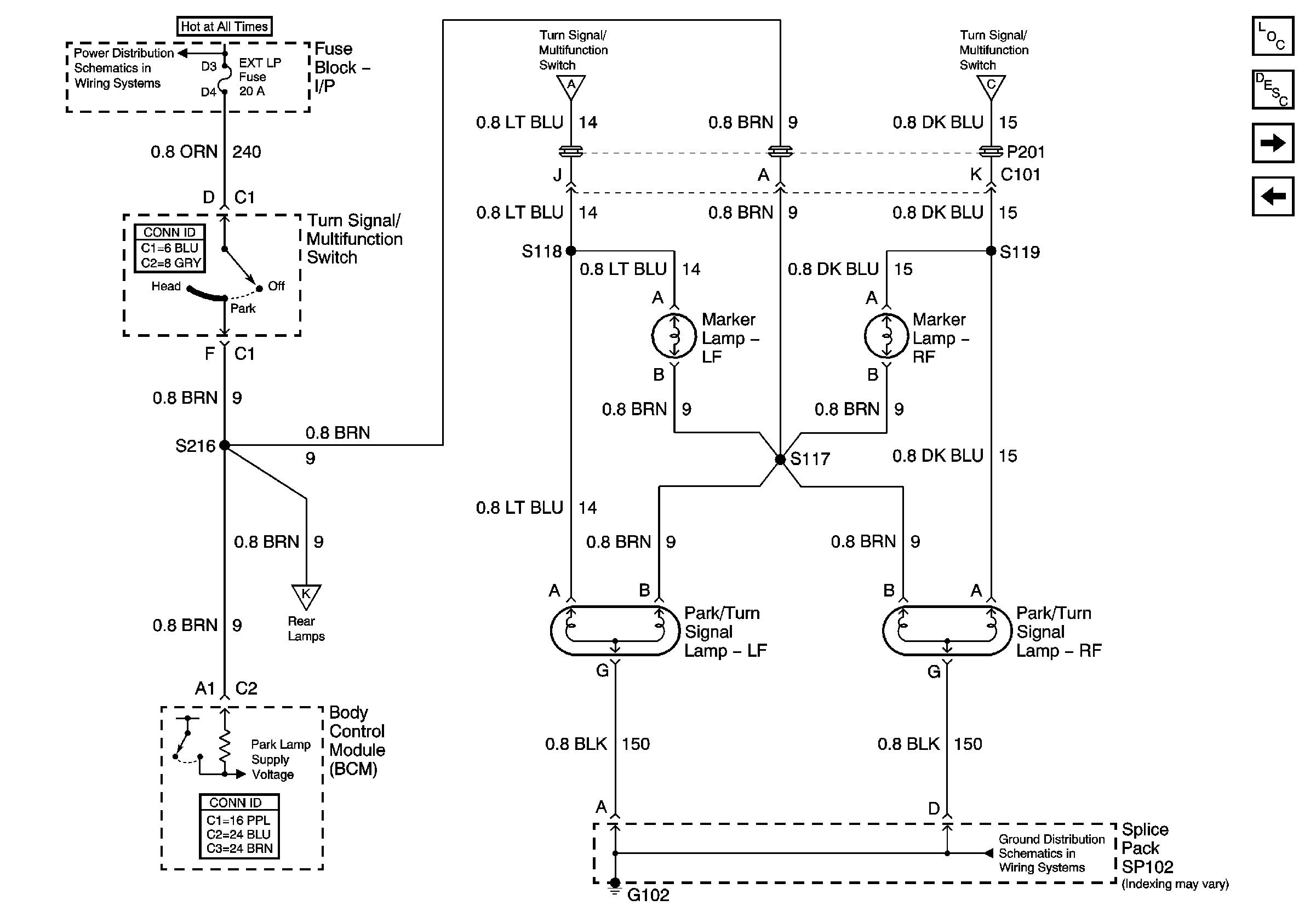
🢒 Park Lamp Controls and Front Lamps - Pontiac
Park Lamp Controls and Front Lamps - Pontiac
Park Lamp Controls and Front Lamps-Pontiac
Master Electrical Component List
Exterior Lighting Systems Description and Operation
Park Lamp Controls and Front Lamps - Chevrolet
Lamp Controls, Rear Turn Lamps and Indicators
G102 - 1 of 2
Lamp Controls, Rear Turn Lamps and Indicators
Rear Lamps
Lamp Controls, Rear Turn Lamps and Indicators