GM Service Manual Online
For 1990-2009 cars only
Makes
🢒
Pontiac
🢒
2002
🢒
Sunfire
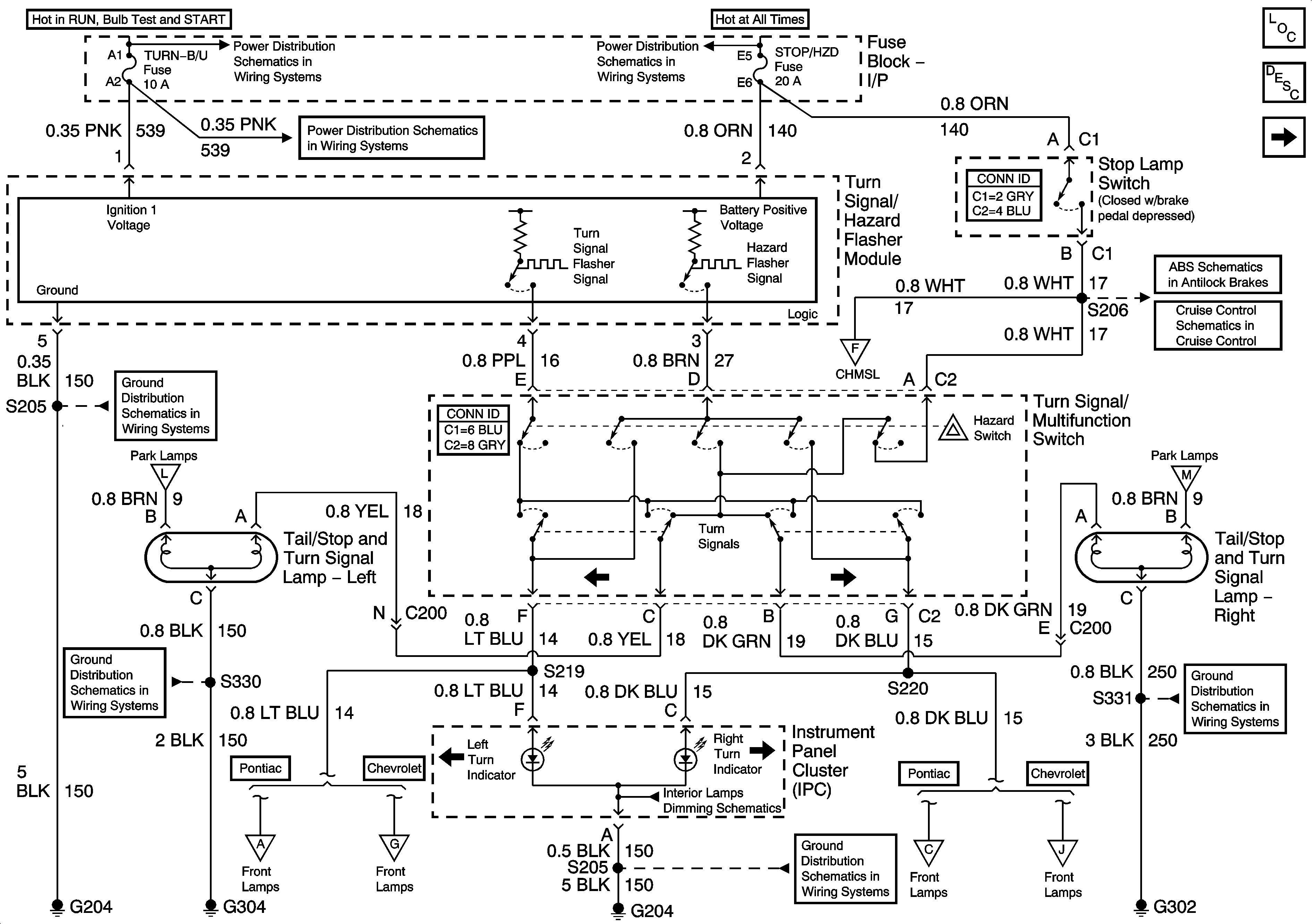
🢒 Lamp Controls, Rear Turn Lamps and Indicators
Lamp Controls, Rear Turn Lamps and Indicators
Lamp Controls, Rear Turn Lamps and Indicators
Master Electrical Component List
Exterior Lighting Systems Description and Operation
Park Lamp Controls and Front Lamps - Pontiac
Center High Mounted Stop Lamps
Indicators
Park Lamp Controls and Front Lamps - Chevrolet
Park Lamp Controls and Front Lamps - Pontiac
Park Lamp Controls and Front Lamps - Chevrolet
Park Lamp Controls and Front Lamps - Pontiac
Indicators
I/P Fuse Block TURN-B/U, IGN MDL, PCM and BCM/CLU Fuses
G204 - 2 of 2
Indicators and Switches
Brake Switch and CCM