GM Service Manual Online
For 1990-2009 cars only
Makes
🢒
Pontiac
🢒
2002
🢒
Sunfire
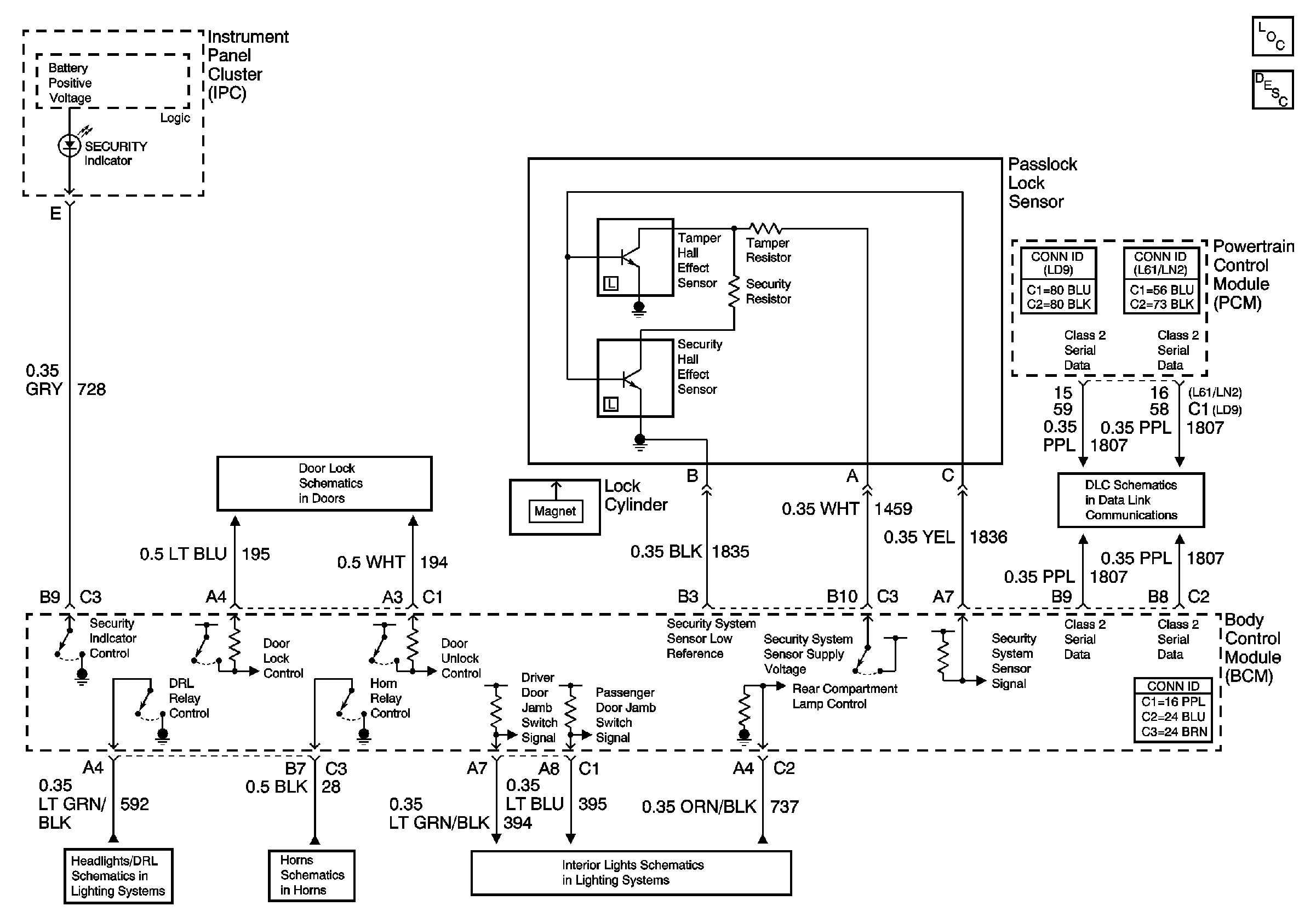
🢒 Theft Deterrent System Schematics
Theft Deterrent System Schematics
Master Electrical Component List
Theft Systems Description and Operation
Rear Compartment Lamp
w/o AUO
Horns Schematics
Domestic and Indicators
I/P Fuse Block TURN-B/U, IGN MDL, PCM and BCM/CLU Fuses
I/P Fuse Block TURN-B/U, IGN MDL, PCM and BCM/CLU Fuses