GM Service Manual Online
For 1990-2009 cars only
Makes
🢒
Pontiac
🢒
2002
🢒
Sunfire
🢒 Domestic - Chevrolet
Domestic - Chevrolet
Domestic -- Chevrolet
Master Electrical Component List
Export
Domestic - Pontiac
G204 1 of 2
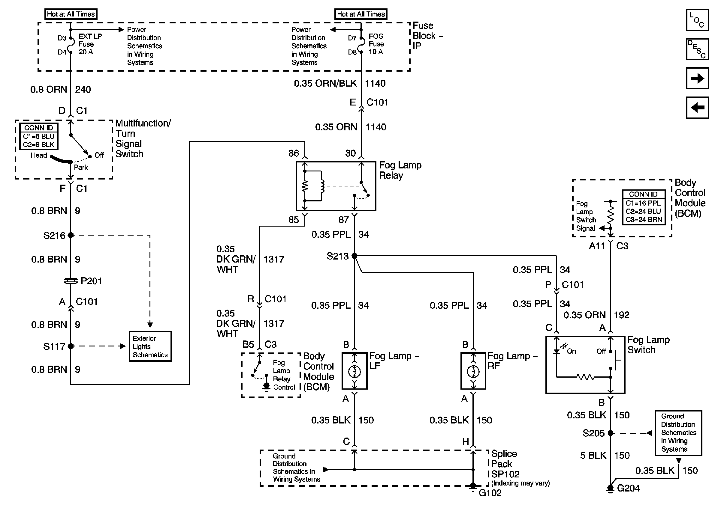
IP Fuse Block CIG, HORN, LT HDLP, CLSTR, EXT, LP, FOG Fuses, and HDLP Circuit Breaker
G102 - 1 of 2
Park Lamp Controls and Front Lamps - Chevrolet
Park Lamp Controls and Front Lamps - Chevrolet