GM Service Manual Online
For 1990-2009 cars only
Makes
🢒
Pontiac
🢒
2002
🢒
Sunfire
🢒 Export
Export
Export
Master Electrical Component List
Domestic - Chevrolet
G204 2 of 2
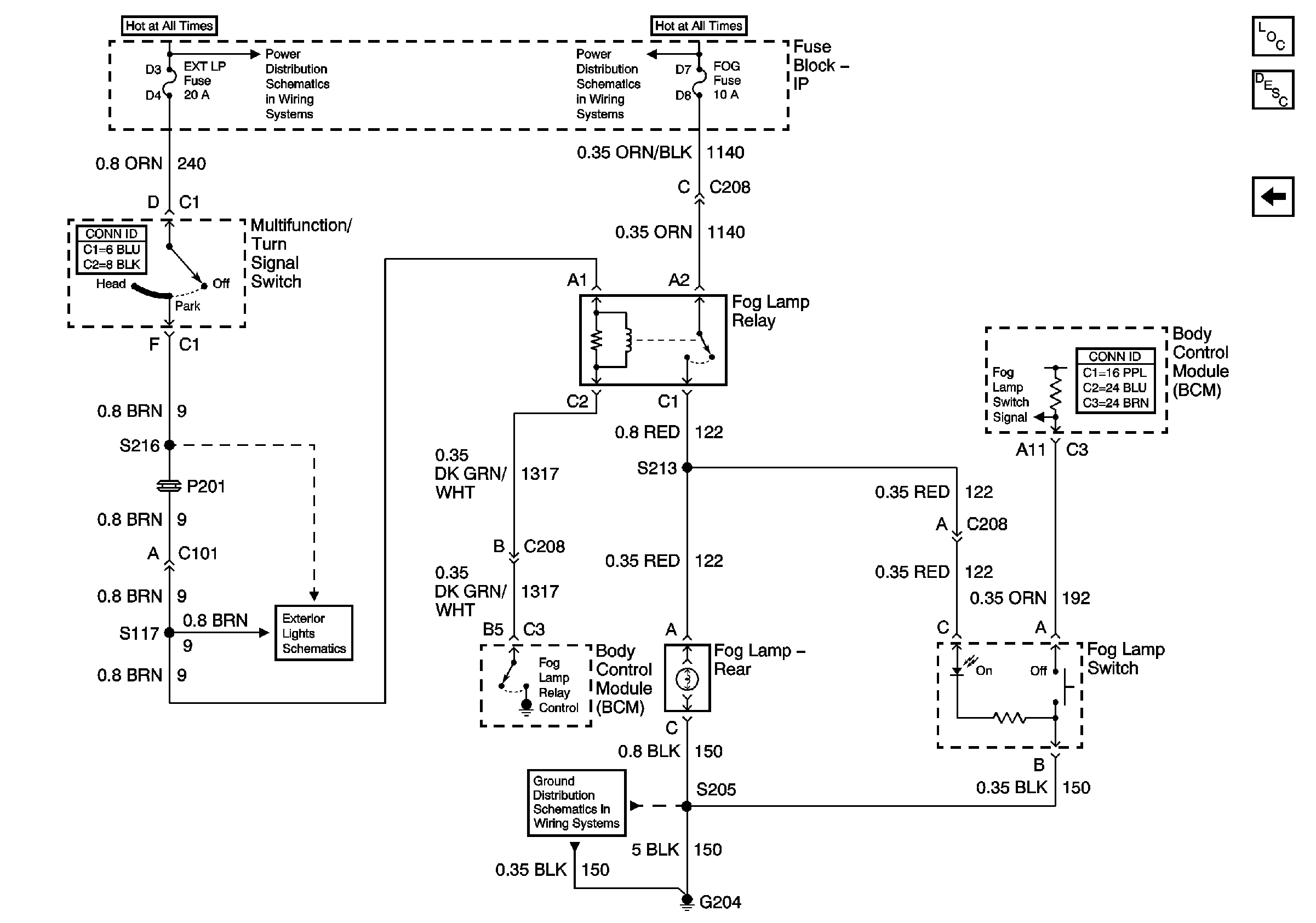
IP Fuse Block CIG, HORN, LT HDLP, CLSTR, EXT, LP, FOG Fuses, and HDLP Circuit Breaker
G102 - 1 of 2
Park Lamp Controls and Front Lamps - Chevrolet
Park Lamp Controls and Front Lamps - Chevrolet