GM Service Manual Online
For 1990-2009 cars only
Makes
🢒
Pontiac
🢒
2003
🢒
Sunfire
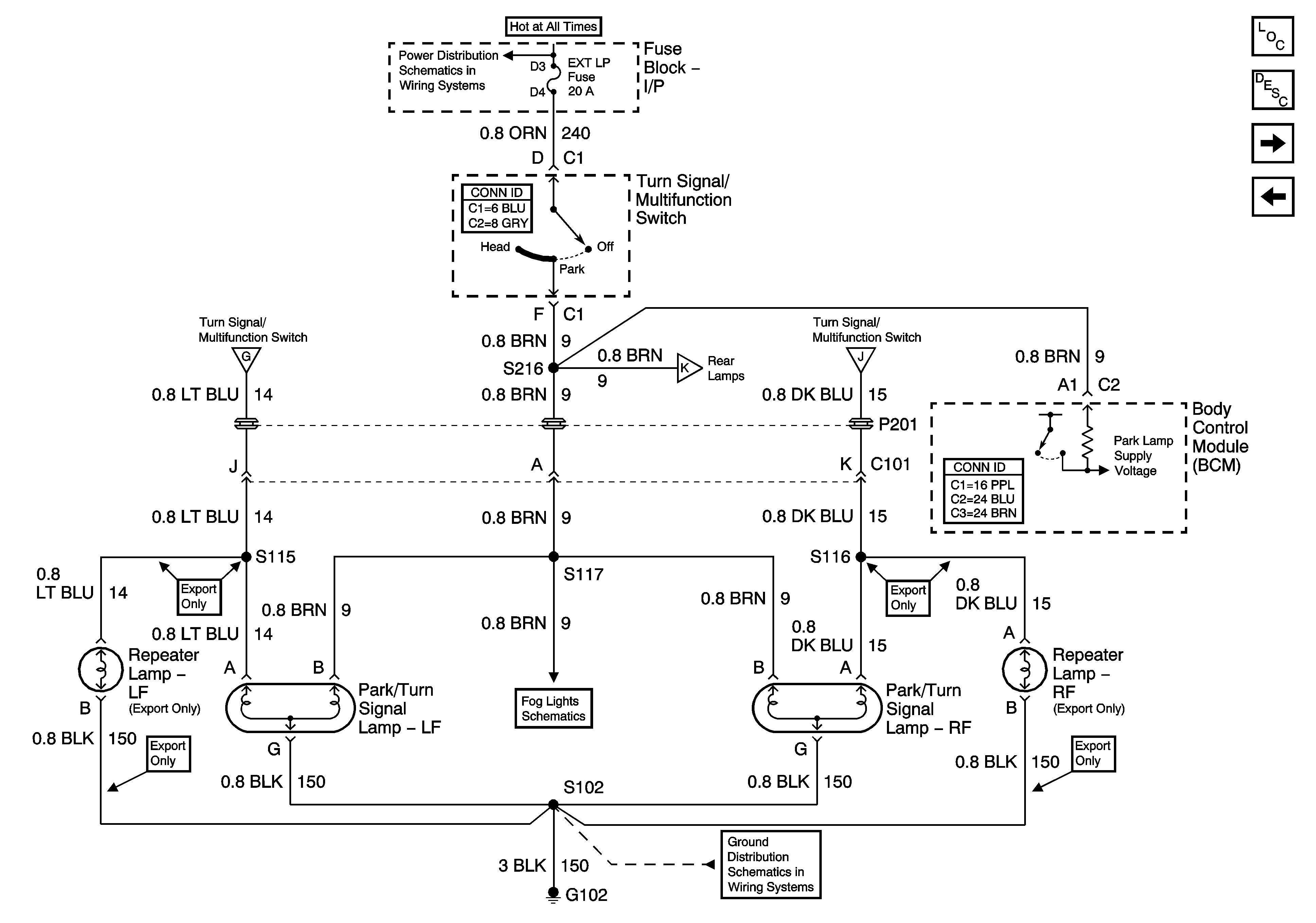
🢒 Park Lamp Controls and Front Lamps - Chevrolet, Late Production
Park Lamp Controls and Front Lamps - Chevrolet, Late Production
Park Lamp Controls and Front Lamps - Chevrolet, Late Production
Master Electrical Component List
Interior Lighting Systems Description and Operation
Rear Lamps
Park Lamps and Marker Lamps Controls - Front - Pontiac, Late Production
Fuse Block-I/P CIG, HORN, LT HDLP, CLSTR, EXT LP, FOG Fuses, and HDLP Circuit Breaker
Lamp Controls, Rear Turn Lamps, and Indicators
Rear Lamps
Lamp Controls, Rear Turn Lamps, and Indicators
Front Fog Lamps - Chevrolet, Late Production
G102 - 1 of 2 , Late Production