GM Service Manual Online
For 1990-2009 cars only
Makes
🢒
Pontiac
🢒
2003
🢒
Sunfire
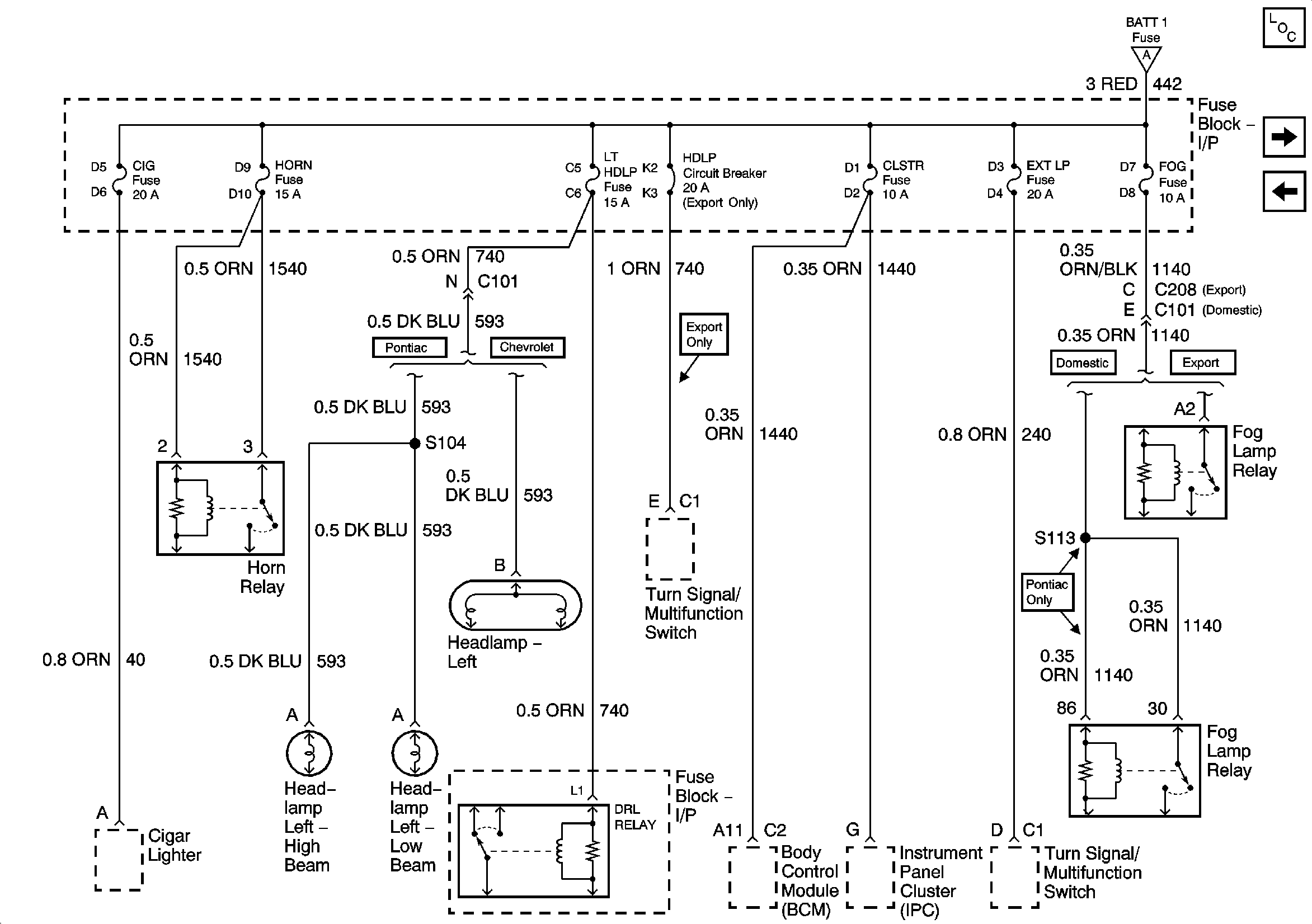
🢒 Fuse Block-I/P CIG, HORN, LT HDLP, CLSTR, EXT LP, FOG Fuses, and HDLP Circuit Breaker
Fuse Block-I/P CIG, HORN, LT HDLP, CLSTR, EXT LP, FOG Fuses, and HDLP Circuit Breaker
FUSE BLOCK - I/P CIG, HORN, LT HDLP, CLUSTR, EXT LP, FOG FUSES and HDLP CIRCUIT BREAKER
Master Electrical Component List
Fuse Block-Underhood BATT2 Fuse and Fuse Block-I/P RR DEFOG, PWR ACC, APO, and STOP/HZD Fuses
Fuse Block-Underhood BATT 1 Fuse, Fuse Block-I/P MIRROR, RT HDLP, FLS/PASS, RDO/INTLP, RFA BATT and AMPL Fuses
Fuse Block-Underhood BATT 1 Fuse, Fuse Block-I/P MIRROR, RT HDLP, FLS/PASS, RDO/INTLP, RFA BATT and AMPL Fuses