GM Service Manual Online
For 1990-2009 cars only
Makes
🢒
Pontiac
🢒
2005
🢒
Sunfire
🢒
Body
🢒
Wiring Systems
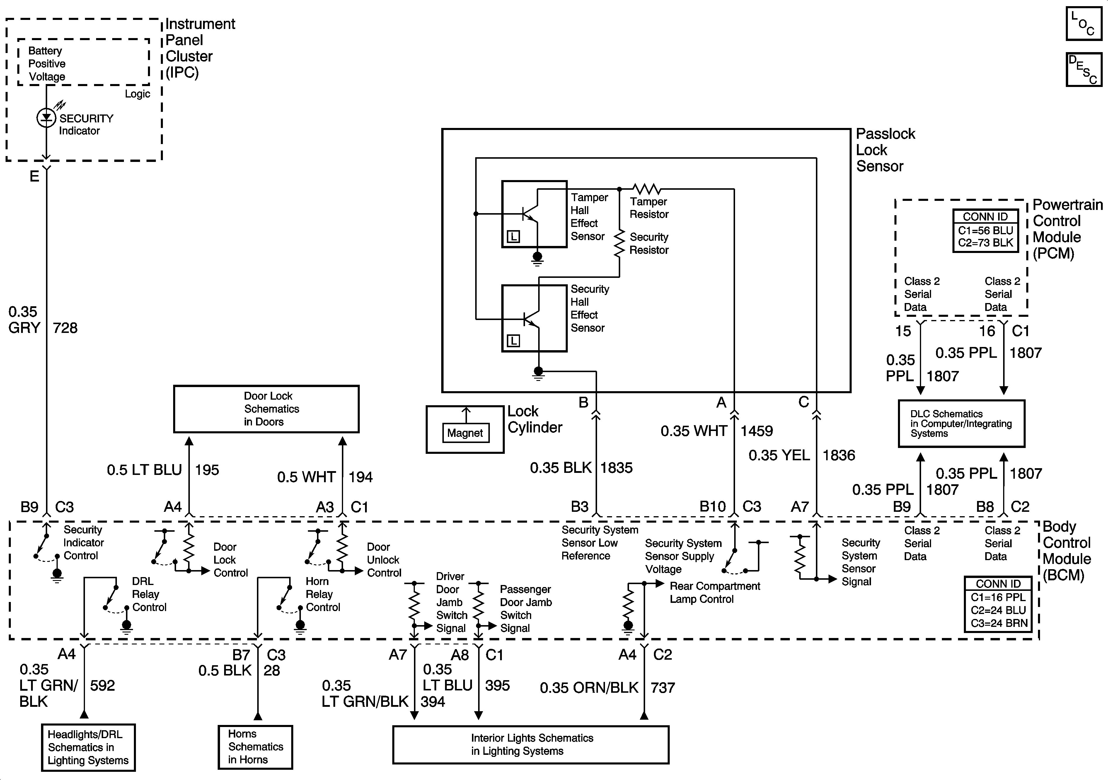
🢒 Theft Deterrent System Schematics
Master Electrical Component List
Theft Systems Description and Operation
Door Lock/Indicator Switches and Controls - w/AUO
Data Link Connector (DLC)
Controls and Indicators - Domestic
Horns
Door Switch Signals and Courtesy Lamps Controls