GM Service Manual Online
For 1990-2009 cars only
Figure 1:

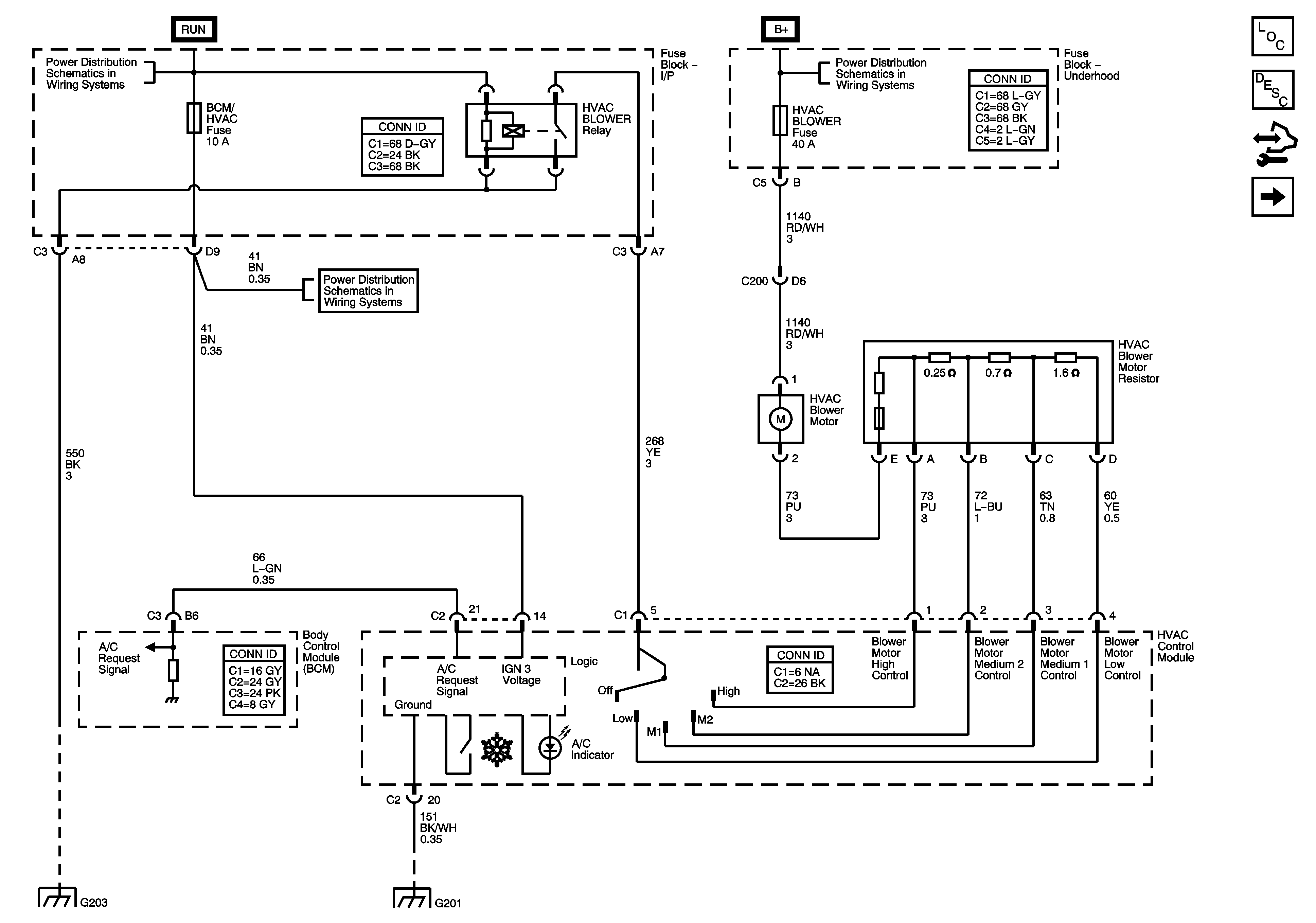
Blower Controls


Object Number: 1625375  Size: FS
Master Electrical Component List
Air Delivery Description and Operation
Control Module References
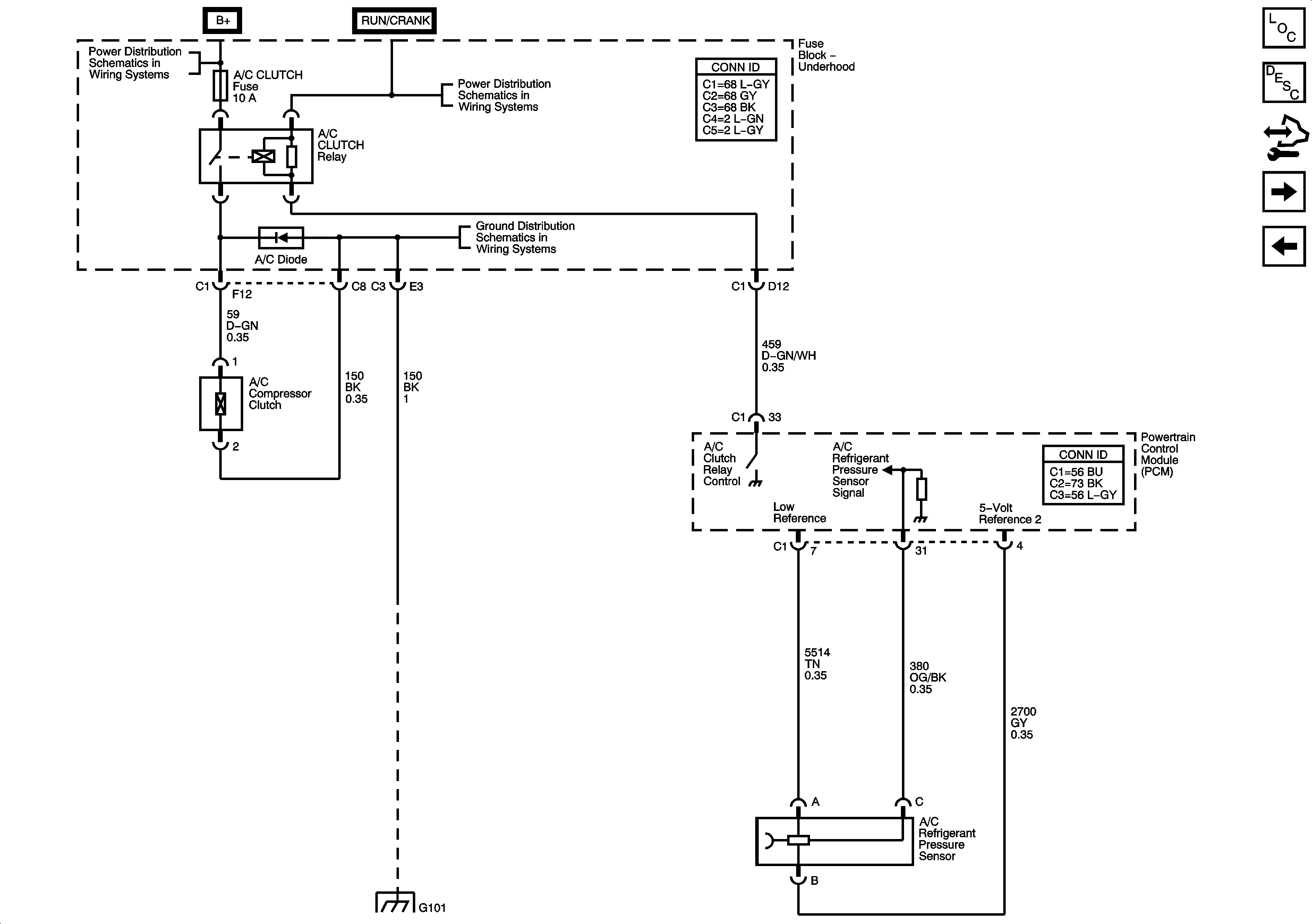
A/C Compressor, Pressure Sensor Signals
IGN FUSE, Ignition Switch and Ignition Circuits
TURN, PRNDL/PWR TRN, BCM/ISRVM, BCM/HVAC and HTD SEATS Fuses
PWR WDW, SUNROOF, 20A ABS, 40A ABS, HVAC BLOWER, AUX OUTLETS, TRAILER, CIGAR AND ECM/TCM Fuses
G203 and G205
G201
Figure 2:

A/C Compressor and Pressure Sensor Signals


Object Number: 1625376  Size: FS
Master Electrical Component List
Air Temperature Description and Operation
Control Module References
Actuators, Evaporator Temperature Sensor
Blower Controls
B+ Bus and EPS Fuse
IGN FUSE, Ignition Switch and Ignition Circuits
G101
G101
Figure 3:

Actuators, Evaporator Temperature Sensor


Object Number: 1625377  Size: FS
Master Electrical Component List
Air Temperature Description and Operation
Control Module References
A/C Compressor, Pressure Sensor Signals