GM Service Manual Online
For 1990-2009 cars only
Makes
🢒
Pontiac
🢒
2006
🢒
Torrent
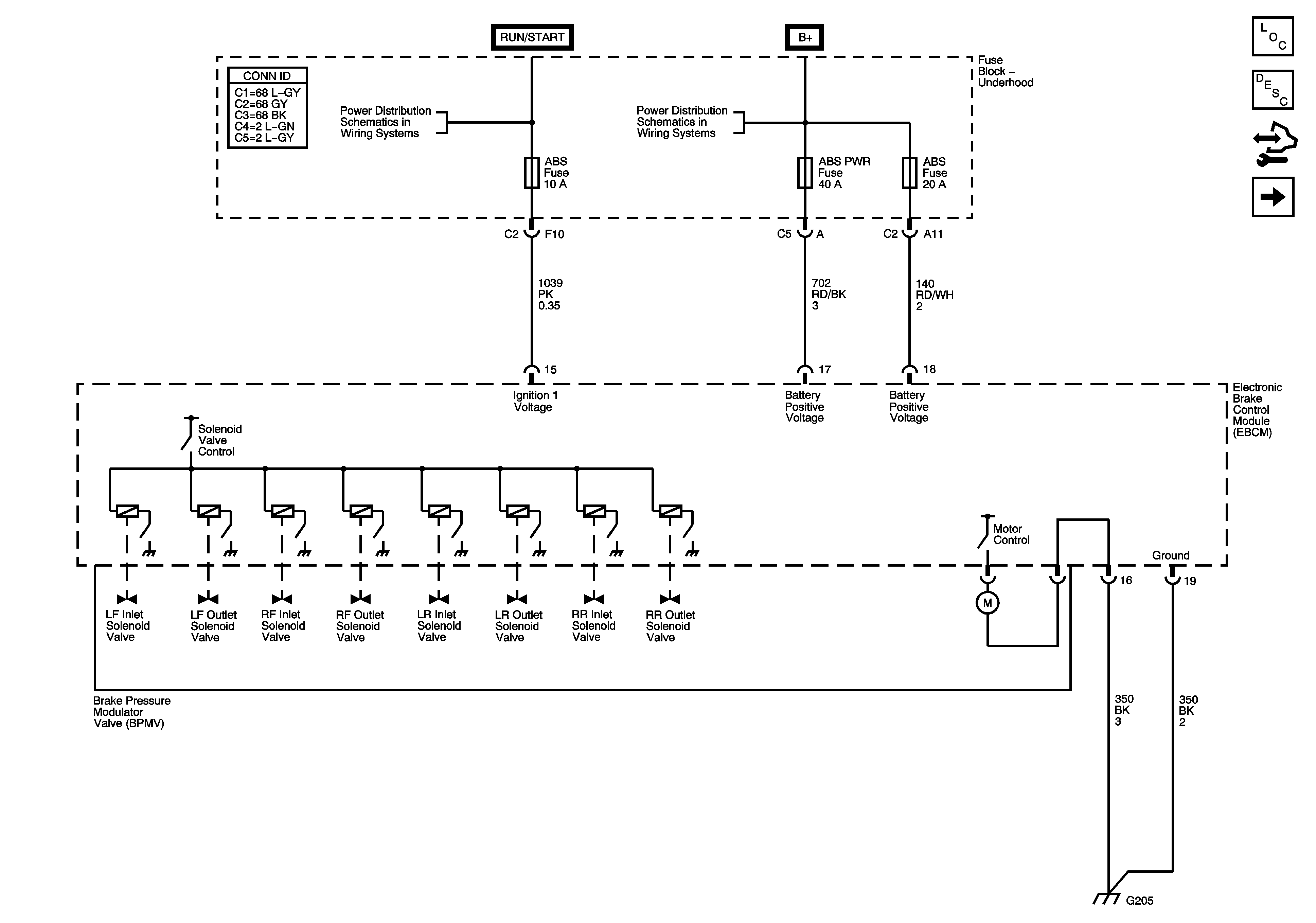
🢒 Power, Ground
Power, Ground
Power, Ground
Master Electrical Component List
ABS Description and Operation
Control Module References
Indicators, TC Switch
IGN FUSE, Ignition Switch and Ignition Circuits
B+ Bus and EPS Fuse