GM Service Manual Online
For 1990-2009 cars only
Makes
🢒
Pontiac
🢒
2006
🢒
Torrent
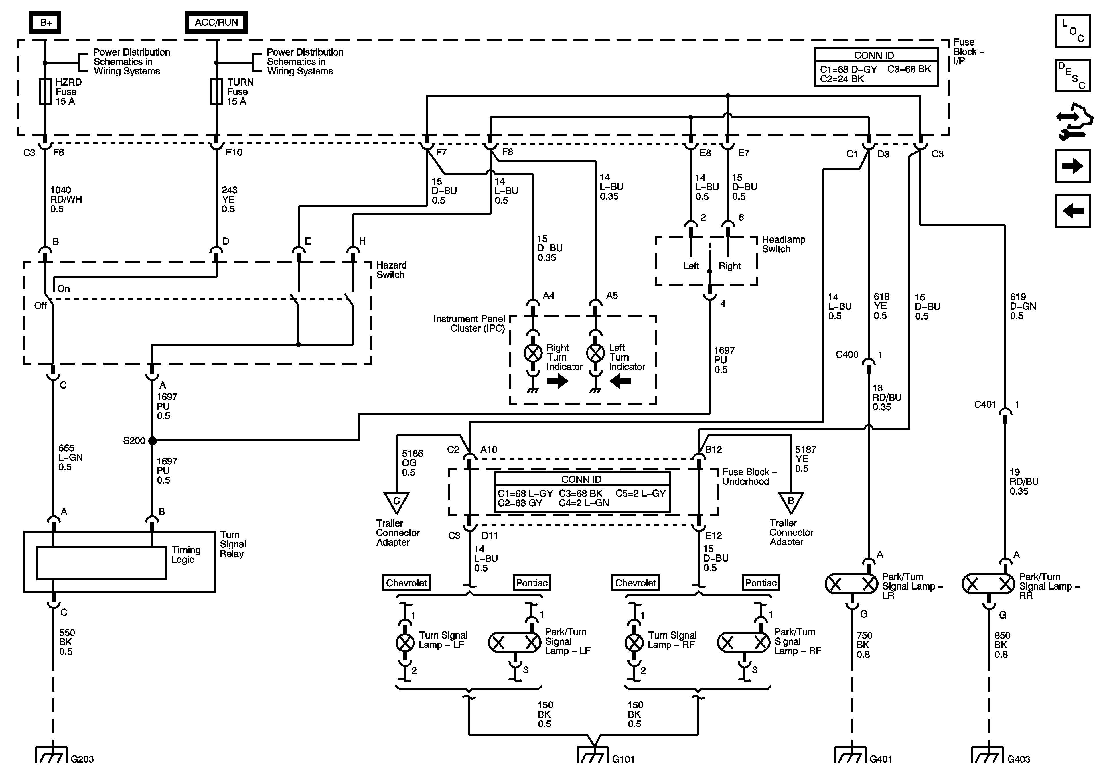
🢒 Hazards, Turn Signal Lamps
Hazards, Turn Signal Lamps
Hazards, Turn Signal Lamps
Master Electrical Component List
Exterior Lighting Systems Description and Operation
Control Module References
Stop Lamps
Park Lamps
Trailer Connector Adapter
Trailer Connector Adapter
G203 and G205
G101
G401 and G403
G401 and G403