GM Service Manual Online
For 1990-2009 cars only
Makes
🢒
Pontiac
🢒
2006
🢒
Torrent
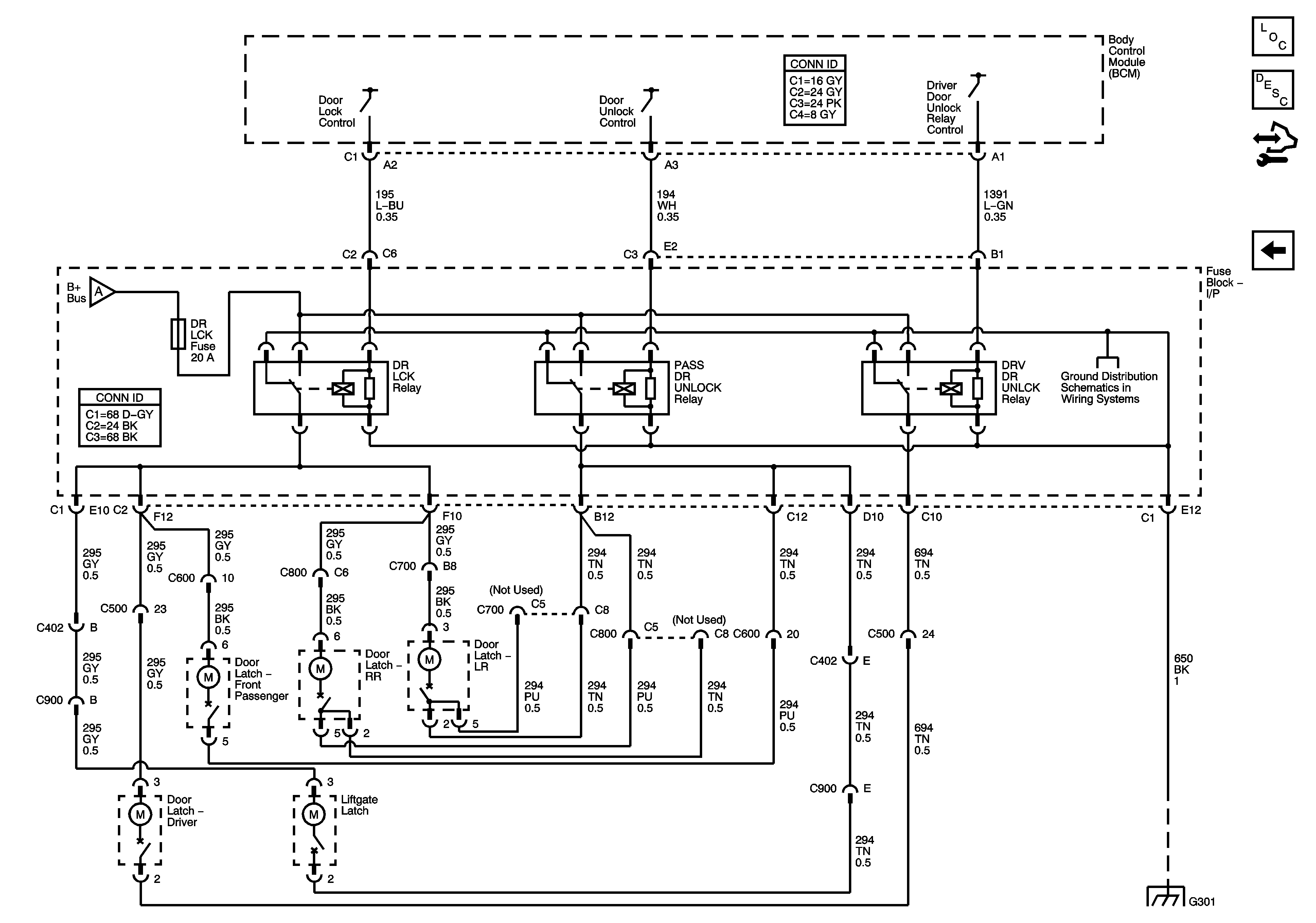
🢒 Door Latch Controls
Door Latch Controls
Door Latch Controls
Master Electrical Component List
Power Door Locks Description and Operation
Control Module References
Lock Switches, Ajar Signals
Lock Switches, Ajar Signals
G301
G301