GM Service Manual Online
For 1990-2009 cars only
Makes
🢒
Pontiac
🢒
2006
🢒
Torrent
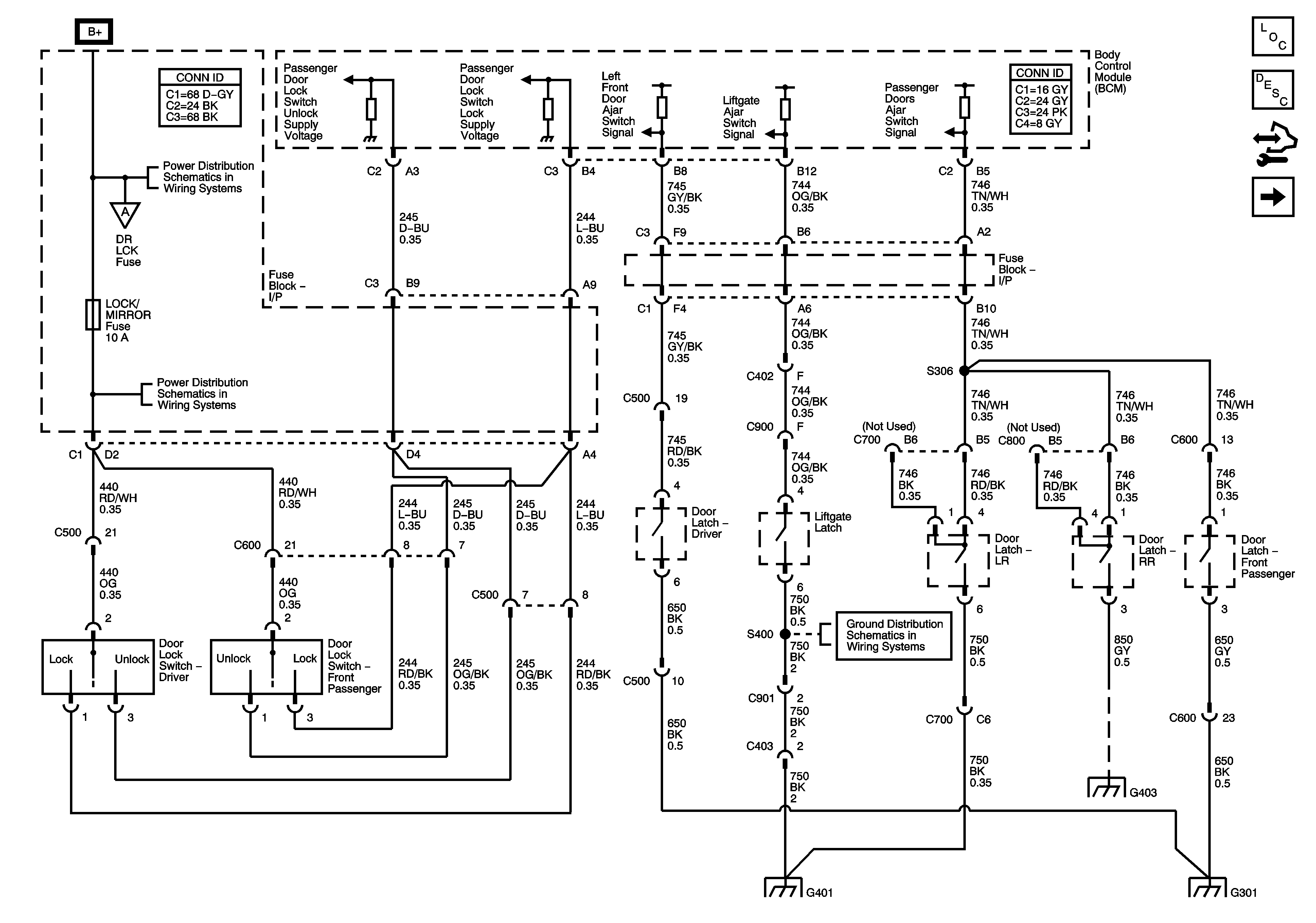
🢒 Lock Switches, Ajar Signals
Lock Switches, Ajar Signals
Lock Switches, Ajar Signals
Master Electrical Component List
Power Door Locks Description and Operation
Control Module References
Door Latch Controls
Door Latch Controls
RADIO, BCM/CLSTR, INT LTS/ONSTAR, PARK, HZRD and LOCK/MIRROR Fuses
G401 and G403
G401 and G403
G301