GM Service Manual Online
For 1990-2009 cars only
Makes
🢒
Pontiac
🢒
2007
🢒
Torrent
🢒
Steering
🢒
Power Steering
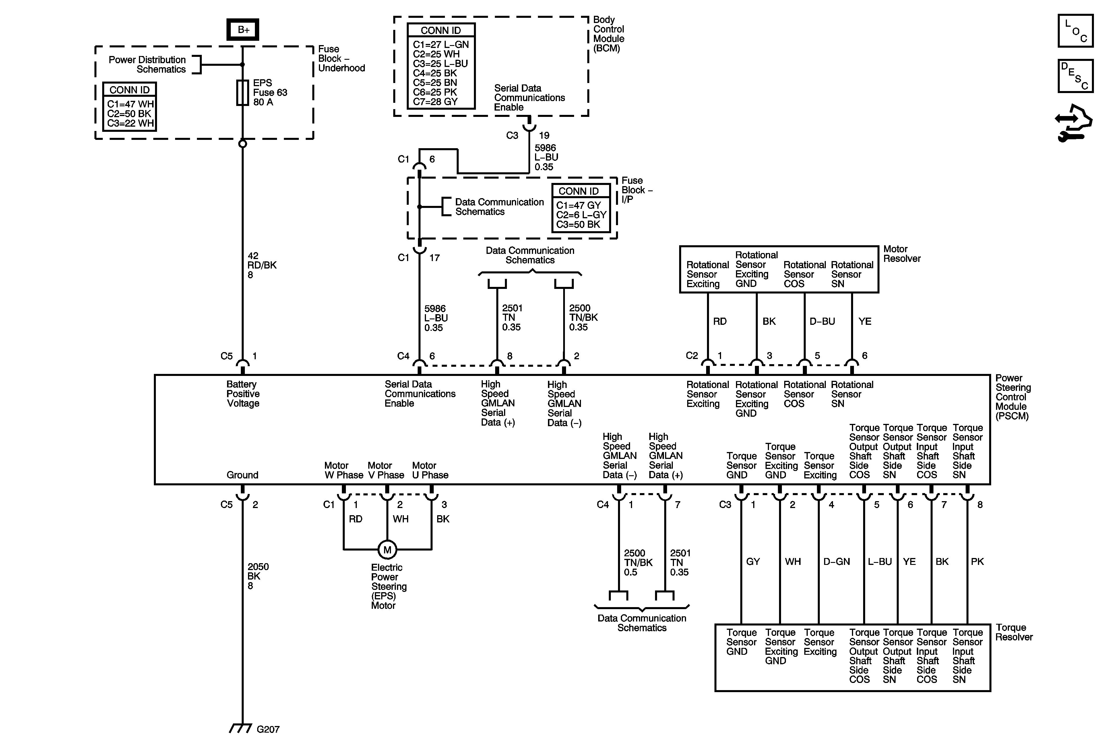
🢒 Power Steering Schematics
Master Electrical Component List
Power Steering System Description and Operation
Control Module References
B+ BUS - 1 of 2
Communication Enable
High Speed GMLAN
High Speed GMLAN