GM Service Manual Online
For 1990-2009 cars only
Makes
🢒
Pontiac
🢒
2007
🢒
Torrent
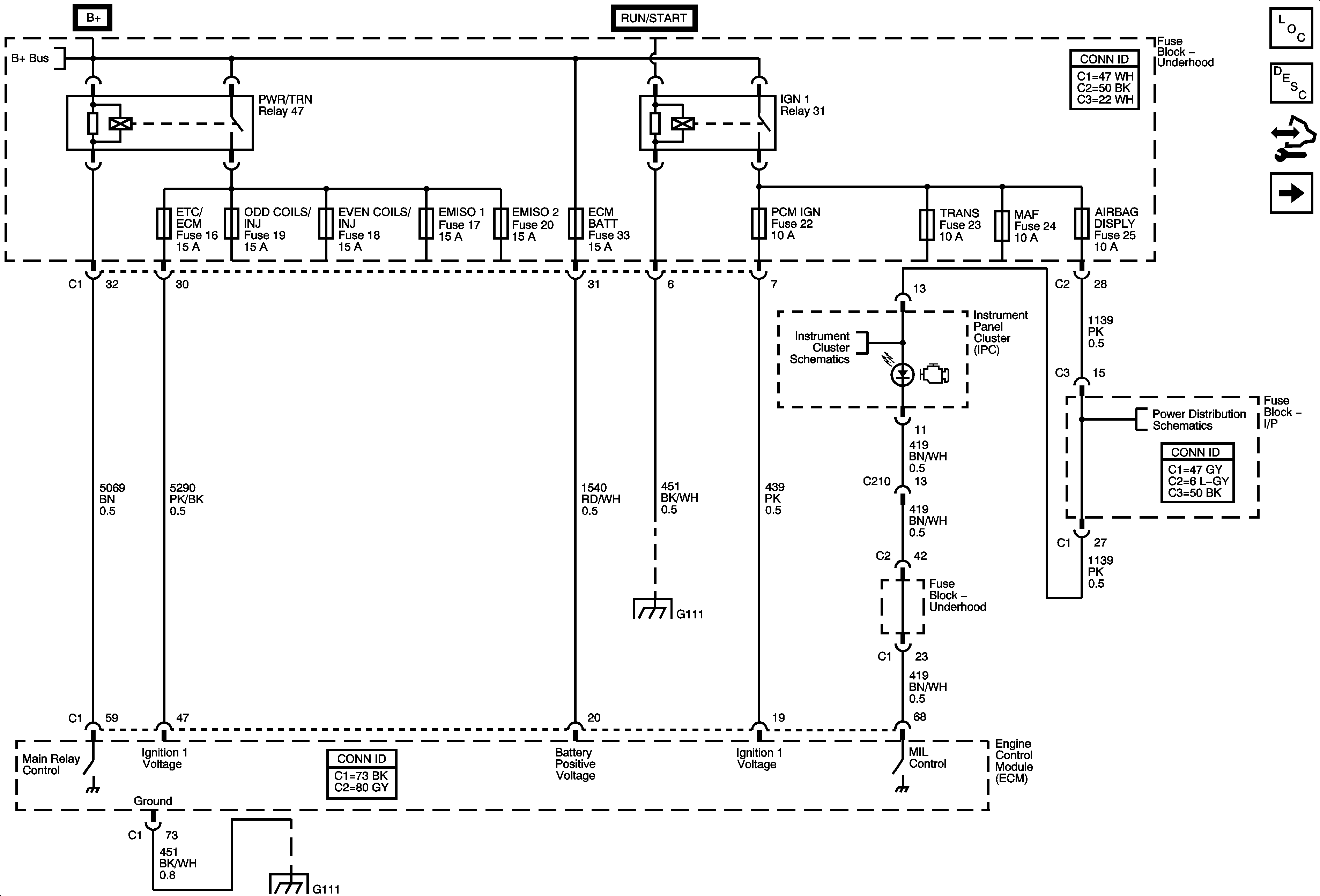
🢒 Module Power, Ground, and MIL
Module Power, Ground, and MIL
Module Power, Ground, and MIL
Master Electrical Component List
Engine Control Module Description
Control Module References
5-Volt Reference
B+ BUS - 1 of 2
Indicators
IGN 1 Relay BUS - MAF, PCM IGN, AIRBAG DISPLY and TRANS Fuses
G103, G105, G111