GM Service Manual Online
For 1990-2009 cars only
Makes
🢒
Pontiac
🢒
2007
🢒
Torrent
🢒 Indicators
Indicators
Indicators
Master Electrical Component List
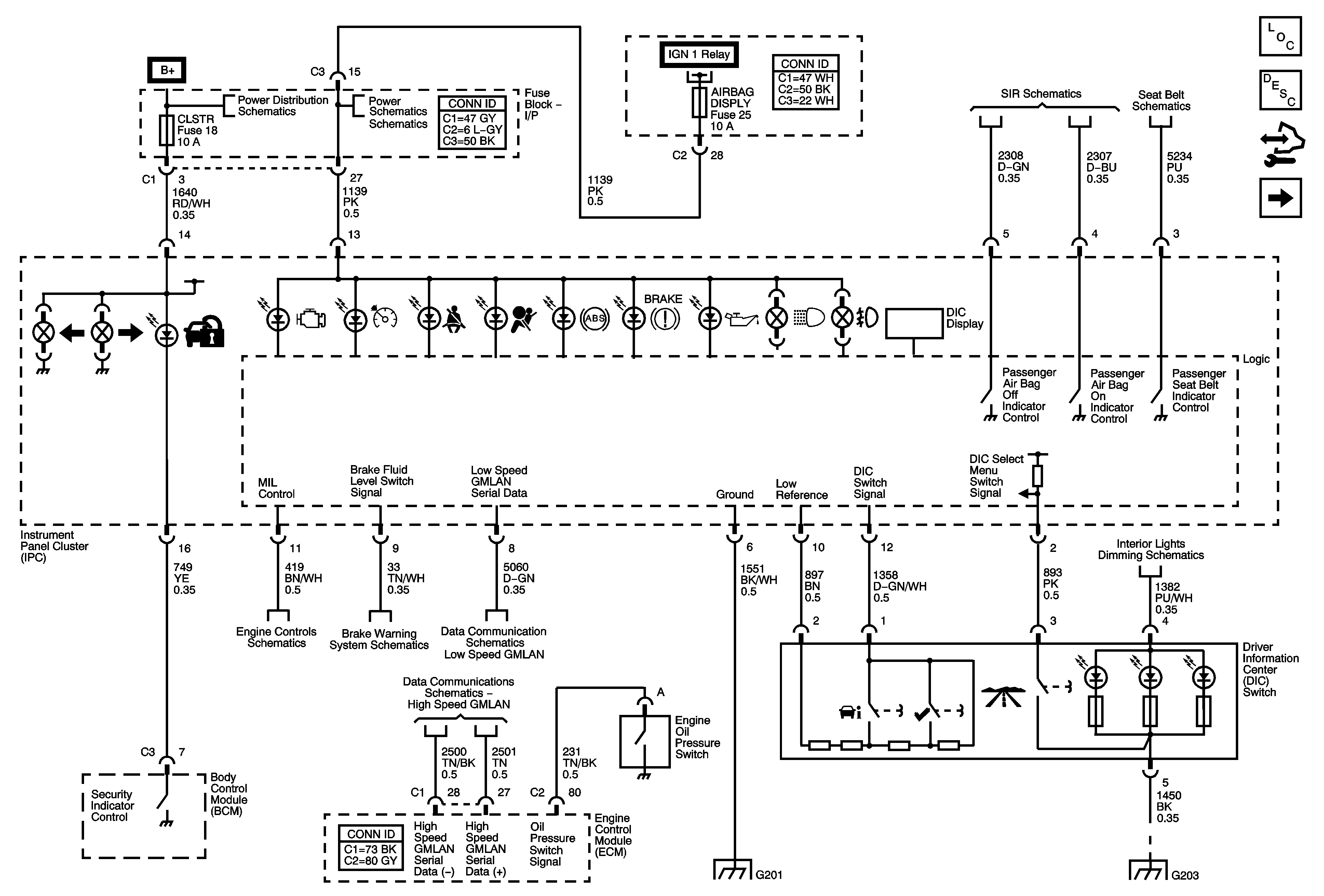
Instrument Cluster Description and Operation
Control Module References
Gages
Interior Lights Dimming Schematics
Module Power, Ground, and MIL
Low Speed GMLAN
G203, G205, G207
G311
G201
G203, G205, G207