GM Service Manual Online
For 1990-2009 cars only
Makes
🢒
Pontiac
🢒
2007
🢒
Torrent
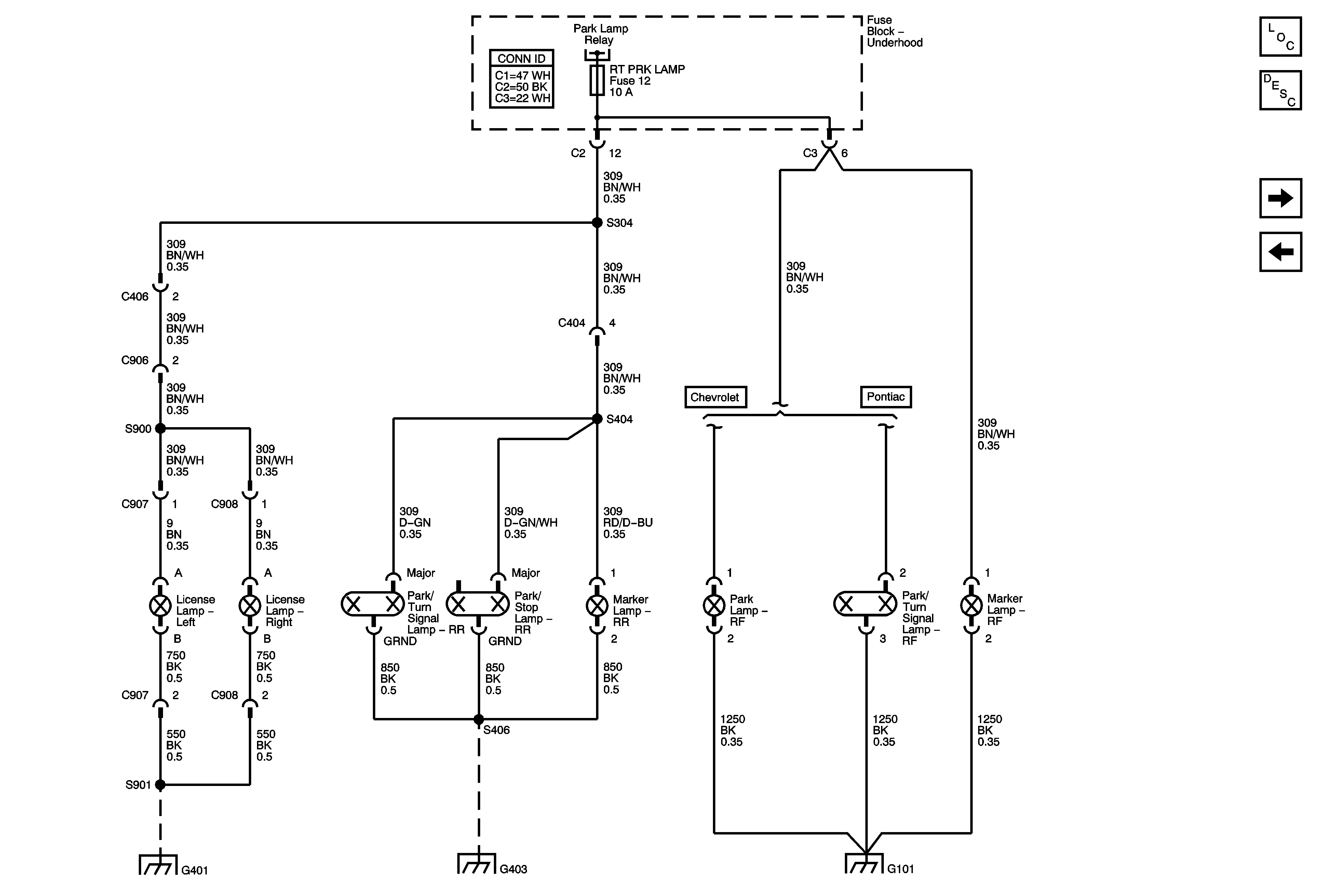
🢒 License Lamp, Right Park Lamps
License Lamp, Right Park Lamps
License Lamps, Right Park Lamps
Master Electrical Component List
Exterior Lighting Systems Description and Operation
Turn Signal Lamps
Left Park Lamps
G401
G403
G101