GM Service Manual Online
For 1990-2009 cars only
Makes
🢒
Pontiac
🢒
2007
🢒
Torrent
🢒 Interior Lights Schematics
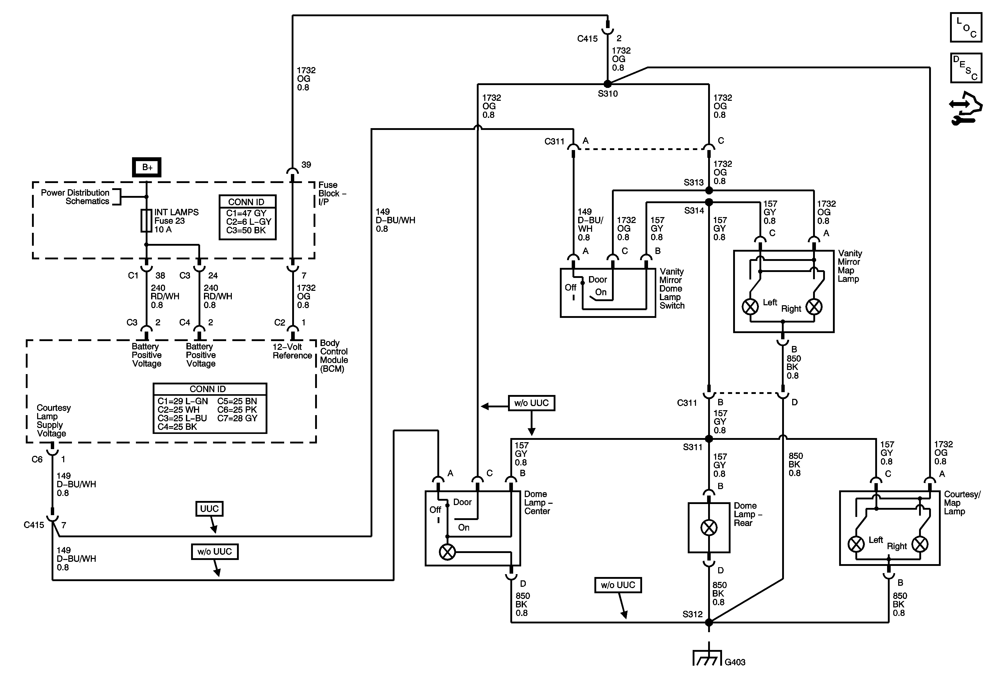
Interior Lights Schematics
Master Electrical Component List
Interior Lighting Systems Description and Operation
Control Module References
B+ BUS - 1 of 2
BATT 1, CNSTR VENT, CLSTR, HVAC BLWR, INFOTMNT, INT LAMP, ONSTAR, REAR DEFOG and RVC Fuses
G403