GM Service Manual Online
For 1990-2009 cars only
Makes
🢒
Pontiac
🢒
2007
🢒
Torrent
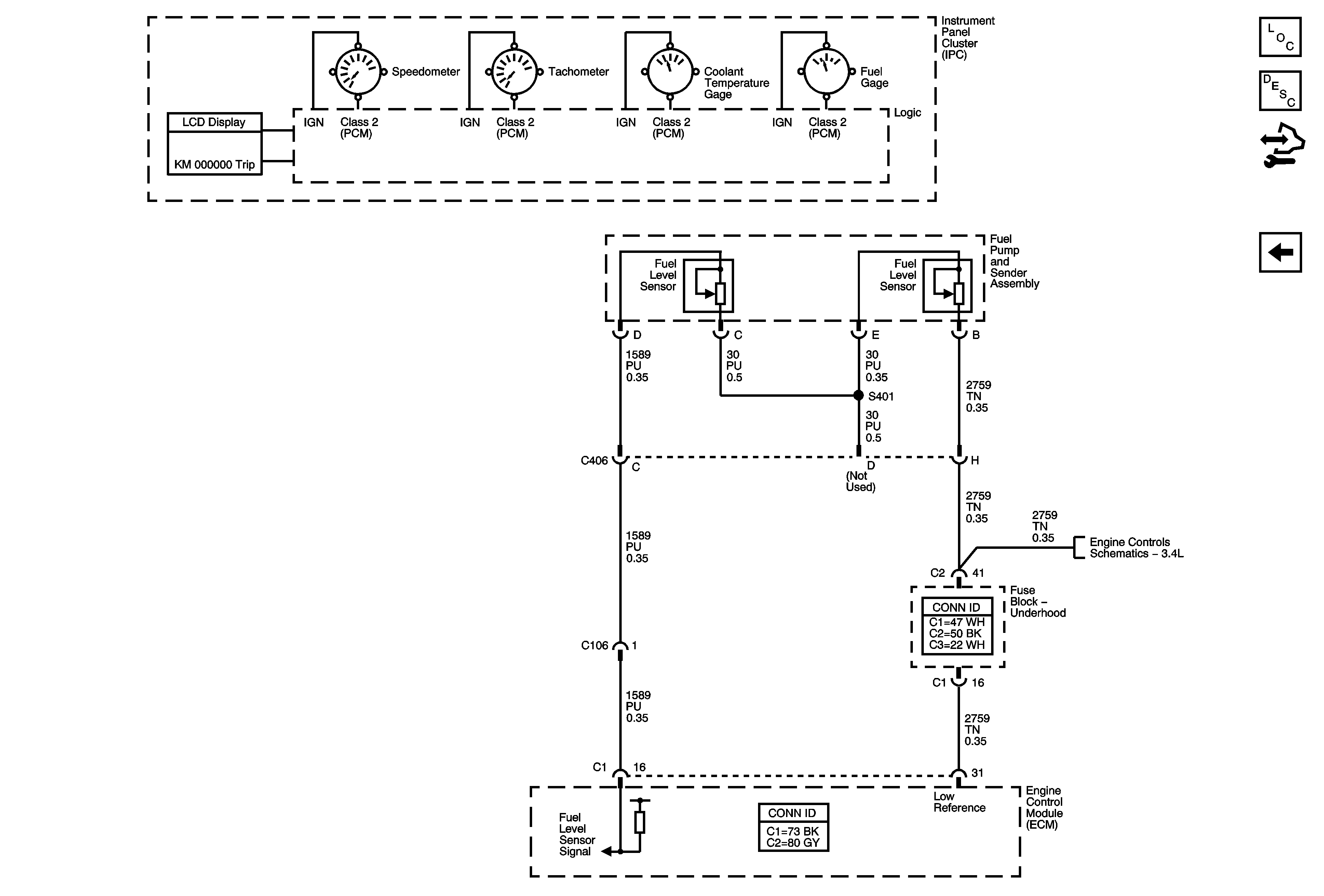
🢒 Gages
Gages
Gages
Master Electrical Component List
Instrument Cluster Description and Operation
Control Module References
Indicators
Low Speed GMLAN
Low Reference