GM Service Manual Online
For 1990-2009 cars only
Makes
🢒
Pontiac
🢒
2007
🢒
Torrent
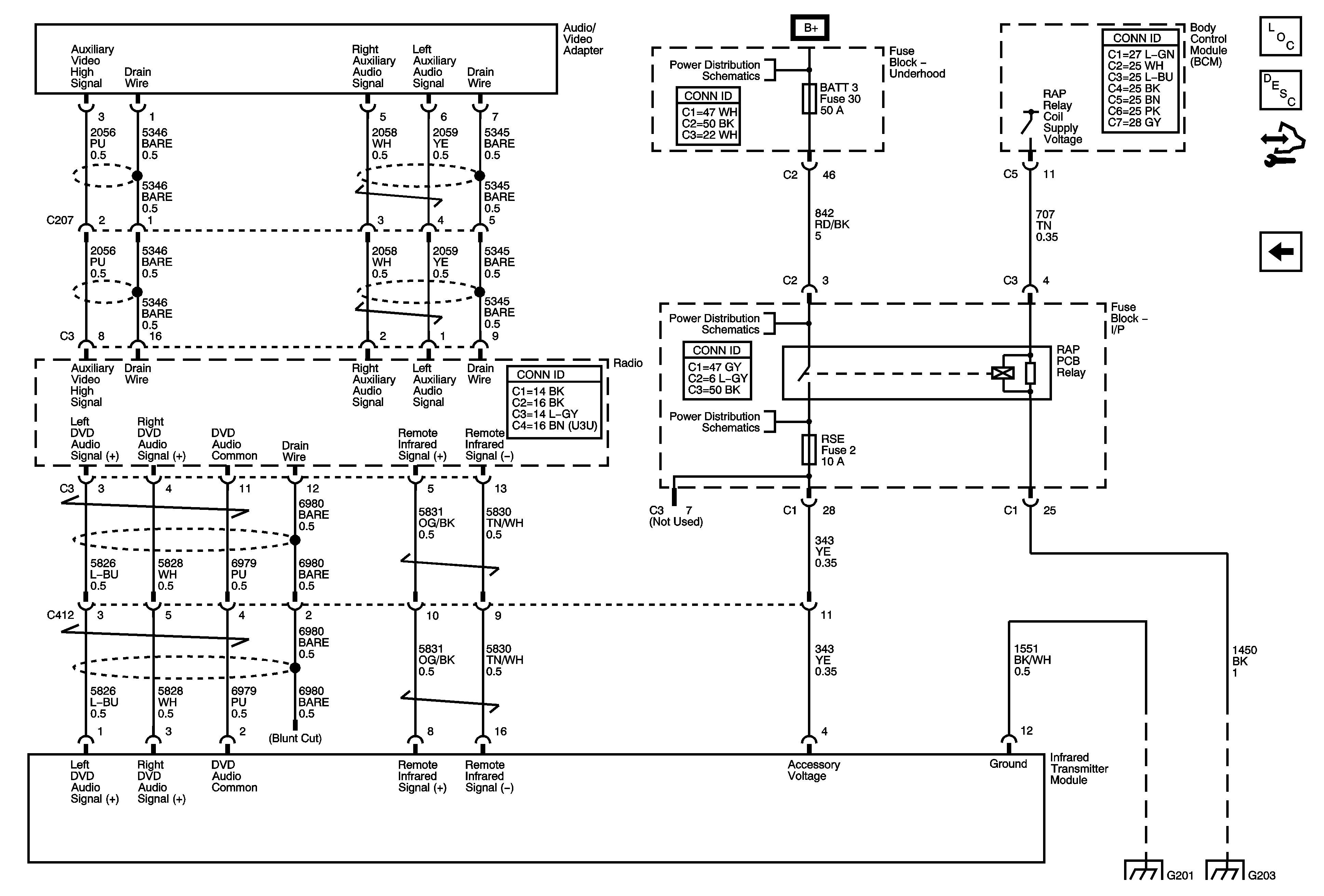
🢒 Audio Signals
Audio Signals
Audio Signals
Master Electrical Component List
Video Entertainment System Description and Operation
Control Module References
Power, Ground, and Video Signals
B+ BUS - 1 of 2
BATT 3, DR/LCK, REAR/WPR, RSE and S/ROOF Fuses and PWR WNDW Circuit Breaker
BATT 3, DR/LCK, REAR/WPR, RSE and S/ROOF Fuses and PWR WNDW Circuit Breaker
G201
G203, G205, G207