GM Service Manual Online
For 1990-2009 cars only
Makes
🢒
Pontiac
🢒
2007
🢒
Torrent
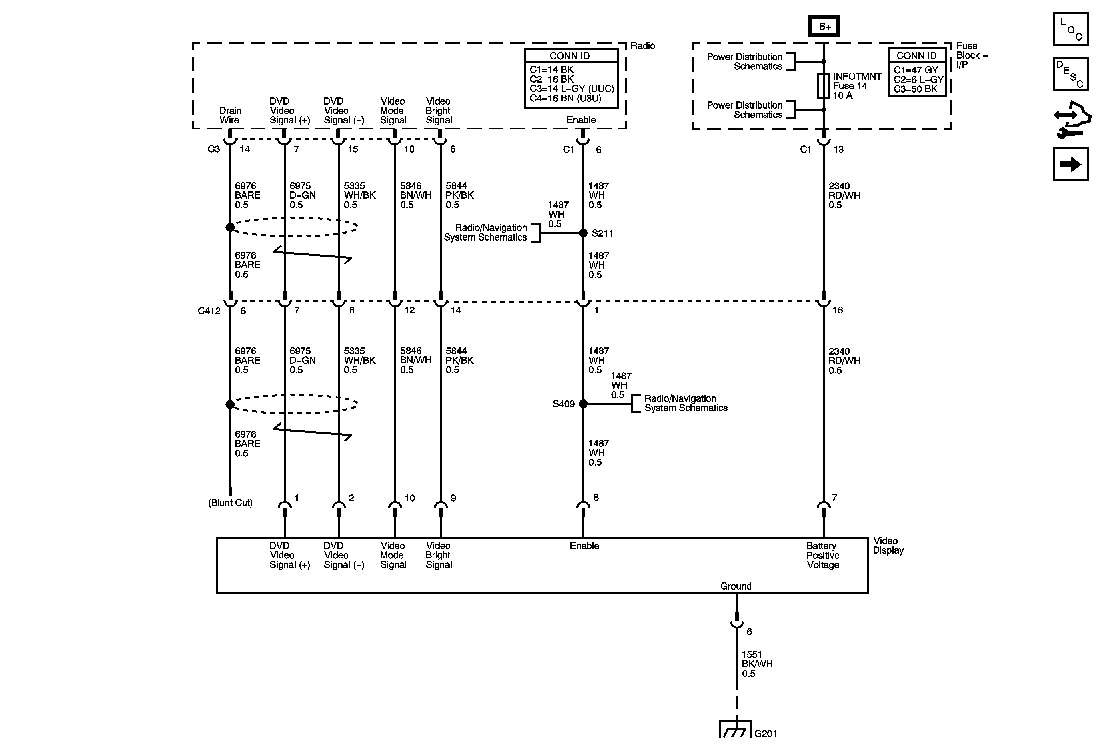
🢒 Power, Ground, and Video Signals
Power, Ground, and Video Signals
Power, Ground, and Video Signal
Master Electrical Component List
Video Entertainment System Description and Operation
Control Module References
Audio Signals
BATT 1, CNSTR VENT, CLSTR, HVAC BLWR, INFOTMNT, INT LAMP, ONSTAR, REAR DEFOG and RVC Fuses
BATT 1, CNSTR VENT, CLSTR, HVAC BLWR, INFOTMNT, INT LAMP, ONSTAR, REAR DEFOG and RVC Fuses
Radio w/U65 - 1 of 2
G201