GM Service Manual Online
For 1990-2009 cars only
Makes
🢒
Pontiac
🢒
1997
🢒
Trans Sport Ext.
🢒 Ignition System
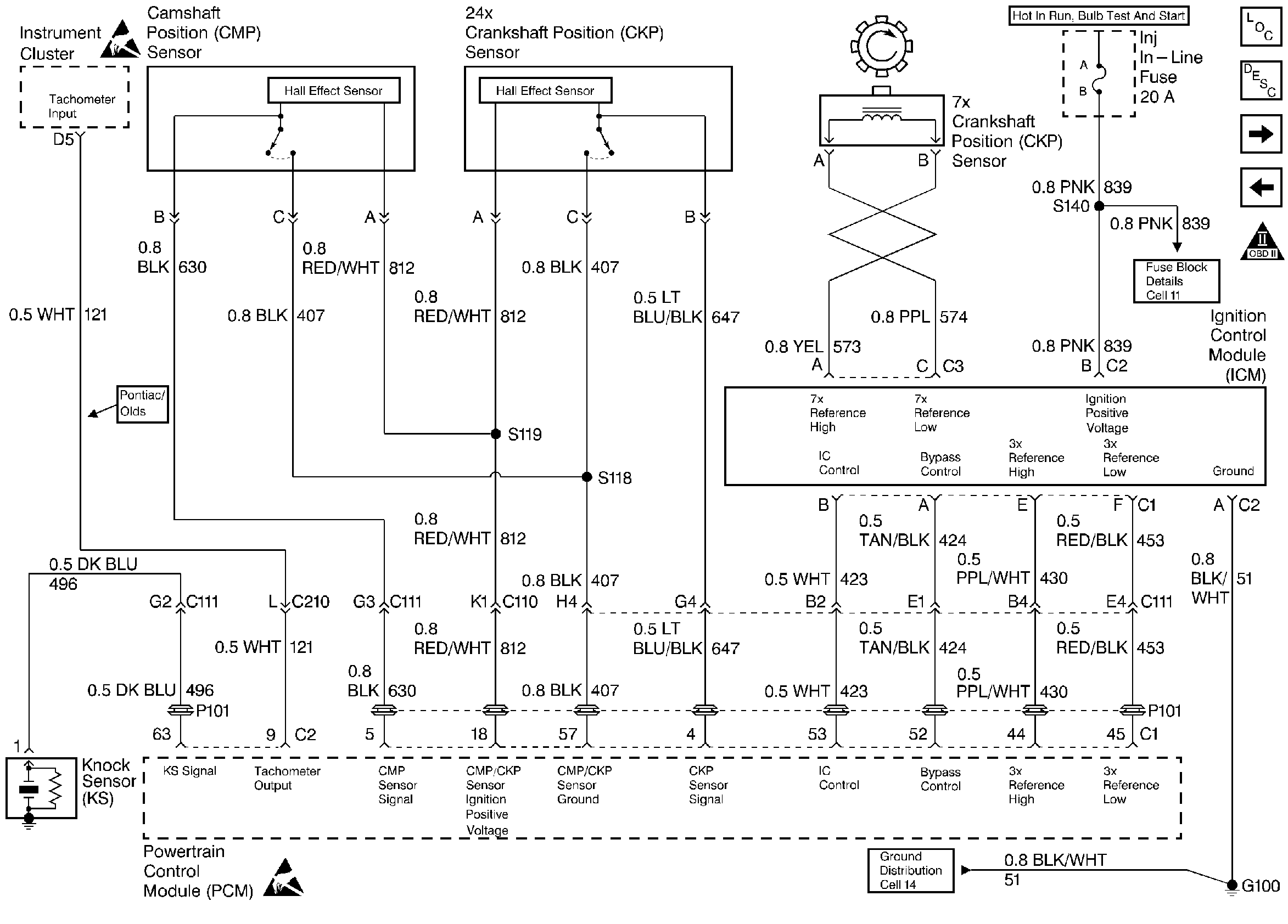
Ignition System
Ignition System
Engine Controls Components
Fuel Injector Control
MIL Lamp, Voltage and Grounds, Serial Data
OBD II Symbol Description Notice
Handling ESD Sensitive Parts Notice
Handling ESD Sensitive Parts Notice