GM Service Manual Online
For 1990-2009 cars only
Makes
🢒
Pontiac
🢒
1997
🢒
Trans Sport Ext.
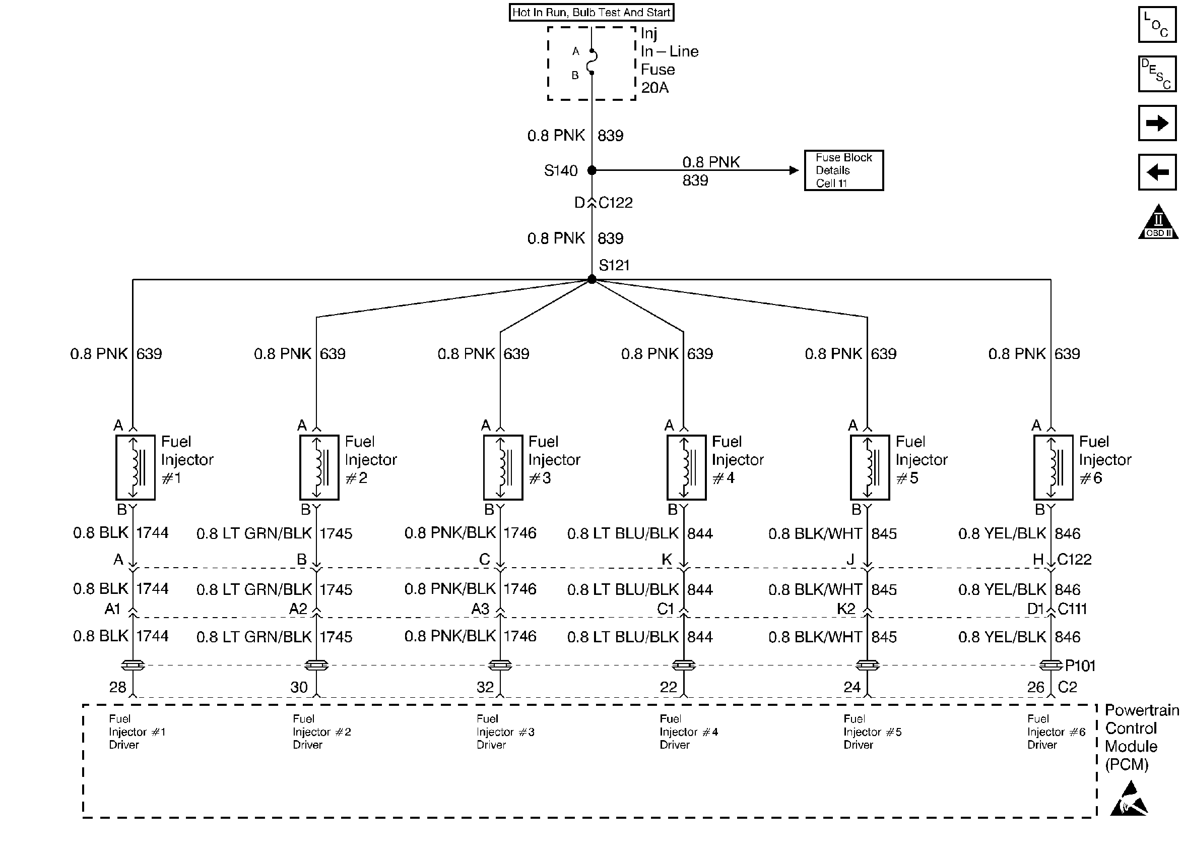
🢒 Fuel Injector Control
Fuel Injector Control
Fuel Injector Control
Engine Controls Components
Fuel Pump Control
Ignition System
OBD II Symbol Description Notice
Handling ESD Sensitive Parts Notice