GM Service Manual Online
For 1990-2009 cars only
Makes
🢒
Pontiac
🢒
1997
🢒
Trans Sport Ext.
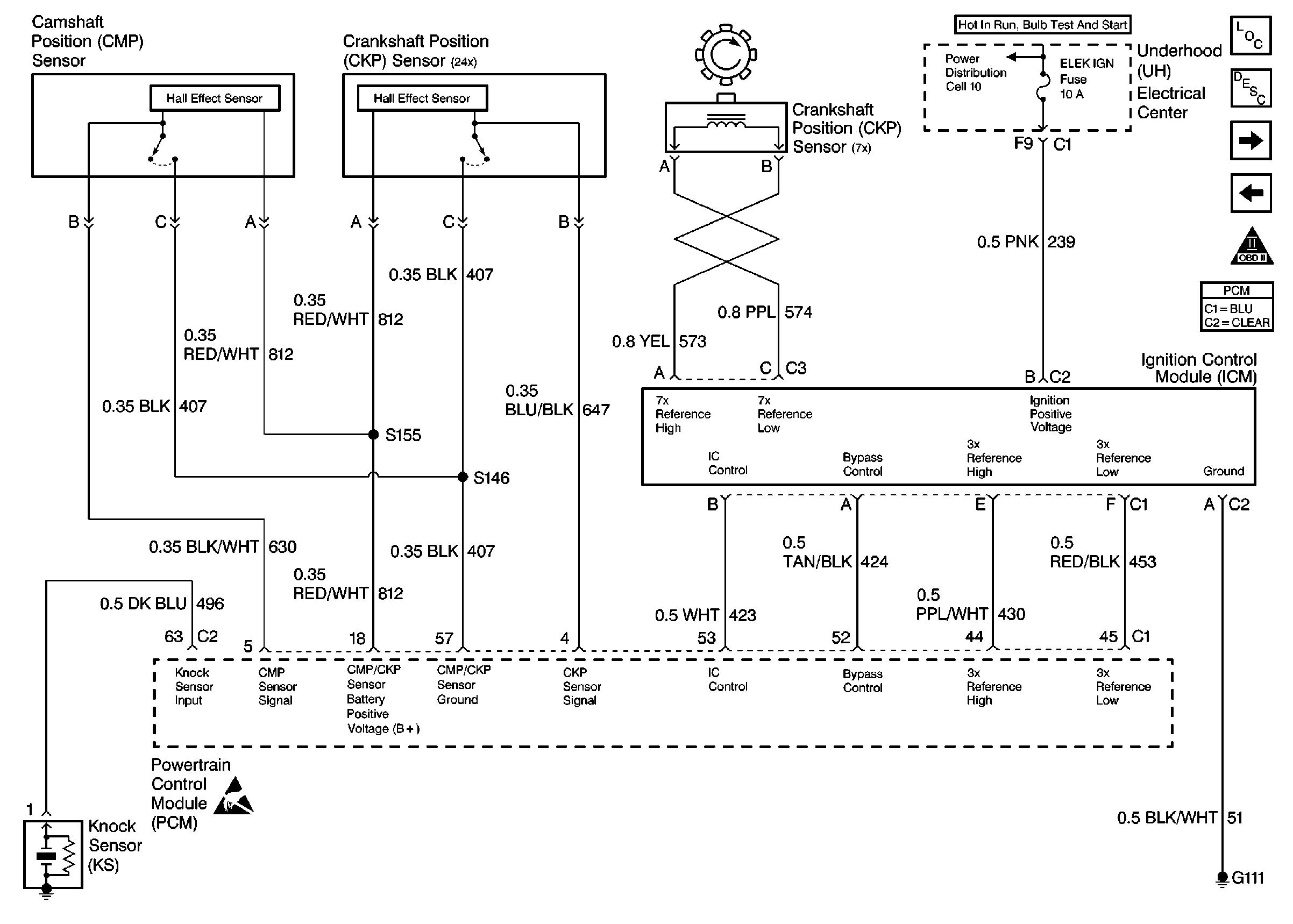
🢒 Ignition System, Knock Sensor
Ignition System, Knock Sensor
Ignition System, Knock Sensor
Handling ESD Sensitive Parts Notice
OBD II Symbol Description Notice
Power, Ground, MIL, DLC
Fuel Control
Information Sensors
Engine Controls Components