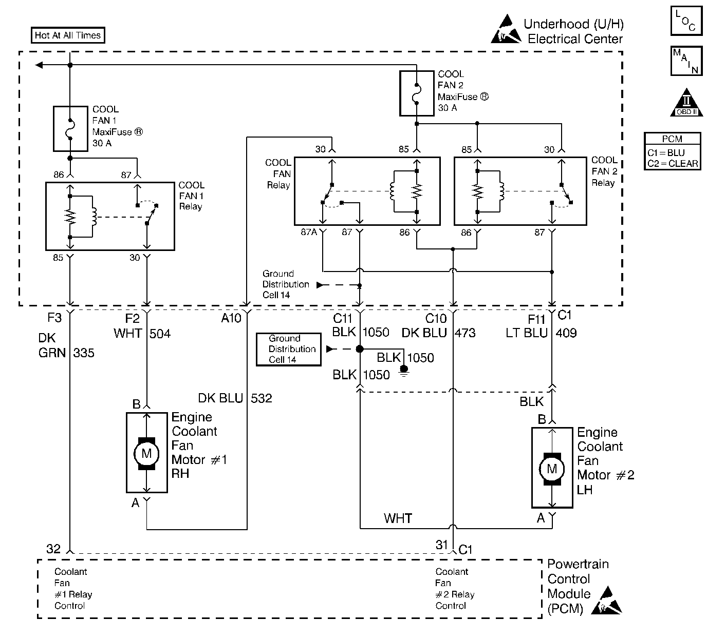
Output Driver Modules (ODMs) are used by the PCM to turn on many of the current-driven devices that are needed to control various engine and Transaxle functions. Each ODM is capable of controlling up to 7 separate outputs by applying ground to the device which the PCM is commanding on. Unlike the Quad Driver Modules (QDMs) used in prior model years, ODMs have the capability of diagnosing each output circuit individually. DTC P1651 set indicates an improper voltage level has been detected on ODM B output 1, which controls the Cool Fan 1 relay.
| • | Ignition is on. |
| • | An improper voltage level has been detected on ODM B output 1 (theCool Fan 1 relay driver circuit). |
| • | Above conditions for at least 30 seconds. |
| • | The PCM will illuminate the malfunction indicator lamp (MIL) during the second consecutive trip in which the diagnostic test has been run and failed. |
| • | The PCM will store conditions which were present when the DTC set as Freeze Frame and Failure Records data. |
| • | The PCM will turn OFF the MIL during the third consecutive trip in which the diagnostic has been run and passed. |
| • | The History DTC will clear after 40 consecutive warm-up cycles have occurred without a malfunction. |
| • | The DTC can be cleared by using the scan tool. |
Check for the following conditions:
| • | Poor connection at PCM. Inspect harness connectors for backed out terminals, improper mating, broken locks, improperly formed or damaged terminals, and poor terminal to wire connection. |
| • | Damaged harness. Inspect the wiring harness for damage. If the harness appears to be OK, disconnect the PCM, turn the ignition on and observe a voltmeter connected to the Cool Fan 1 relay driver circuit at the PCM harness connector while moving connectors and wiring harnesses related to the Cool Fan 1 relay. A change in voltage will indicate the location of the fault. |
Reviewing the Fail Records vehicle mileage since the diagnostic test last failed may help determine how often the condition that caused the DTC to be set occurs. This may assist in diagnosing the condition.
Number(s) below refer to the step number(s) on the Diagnostic Chart.
Normally, ignition feed voltage present on the output driver circuit with the PCM disconnected and the ignition turned on.
Checks for a shorted component or a short to battery positive voltage on the output driver circuit. Either condition would result in a measured current of over 1.5 amps. Also checks for a component that is going open while being operated, resulting in a measured current of 0 amps.
Checks for a faulty Cool Fan 1 relay.
This vehicle is equipped with a PCM which utilizes an Electrically Erasable Programmable Read Only Memory (EEPROM). When the PCM is being replaced, the new PCM must be programmed. Refer to Powertrain Control Module Replacement/Programming .
Step | Action | Value(s) | Yes | No |
|---|---|---|---|---|
1 | Was the Powertrain On Board Diagnostic (OBD) System Check performed? | -- | ||
Is voltage near the specified value? | B+ | |||
Does the current reading remain between the specified values? | 0.1-1.5 Amps | |||
Is voltage at the specified value? | 0.0 V | |||
5 | Locate and repair short to voltage in the Cool Fan 1 relay driver circuit. Refer to Repair Procedures in Electrical Diagnosis. Is the action complete? | -- | -- | |
6 | Check the ignition feed fuse for the Cool Fan 1 relay. Is the fuse blown? | -- | ||
7 |
Is the action complete? | -- | -- | |
8 |
Is voltage near the specified value? | B+ | ||
9 |
Was a problem found? | -- | ||
10 |
Was a problem found? | -- | ||
11 |
Does the test light flash on and off? | -- | Refer to Diagnostic Aids | |
12 |
Was a problem found? | -- | ||
13 | Locate and repair open in ignition feed circuit to the Cool Fan 1 relay. Refer to Repair Procedures in Electrical Diagnosis. Is the action complete? | -- | -- | |
14 | Replace the Cool Fan 1 relay. Is the action complete? | -- | -- | |
Replace the PCM. Important: : Replacement PCM must be programmed. Refer to Powertrain Control Module Replacement/Programming for procedures. Is the action complete? | -- | -- | ||
16 |
Note test result, does scan tool indicate DTC P1651 failed this ignition? | -- | System OK |