GM Service Manual Online
For 1990-2009 cars only
Makes
🢒
Pontiac
🢒
1998
🢒
Trans Sport Ext.
🢒 Cell 61
Cell 61
Cell 61
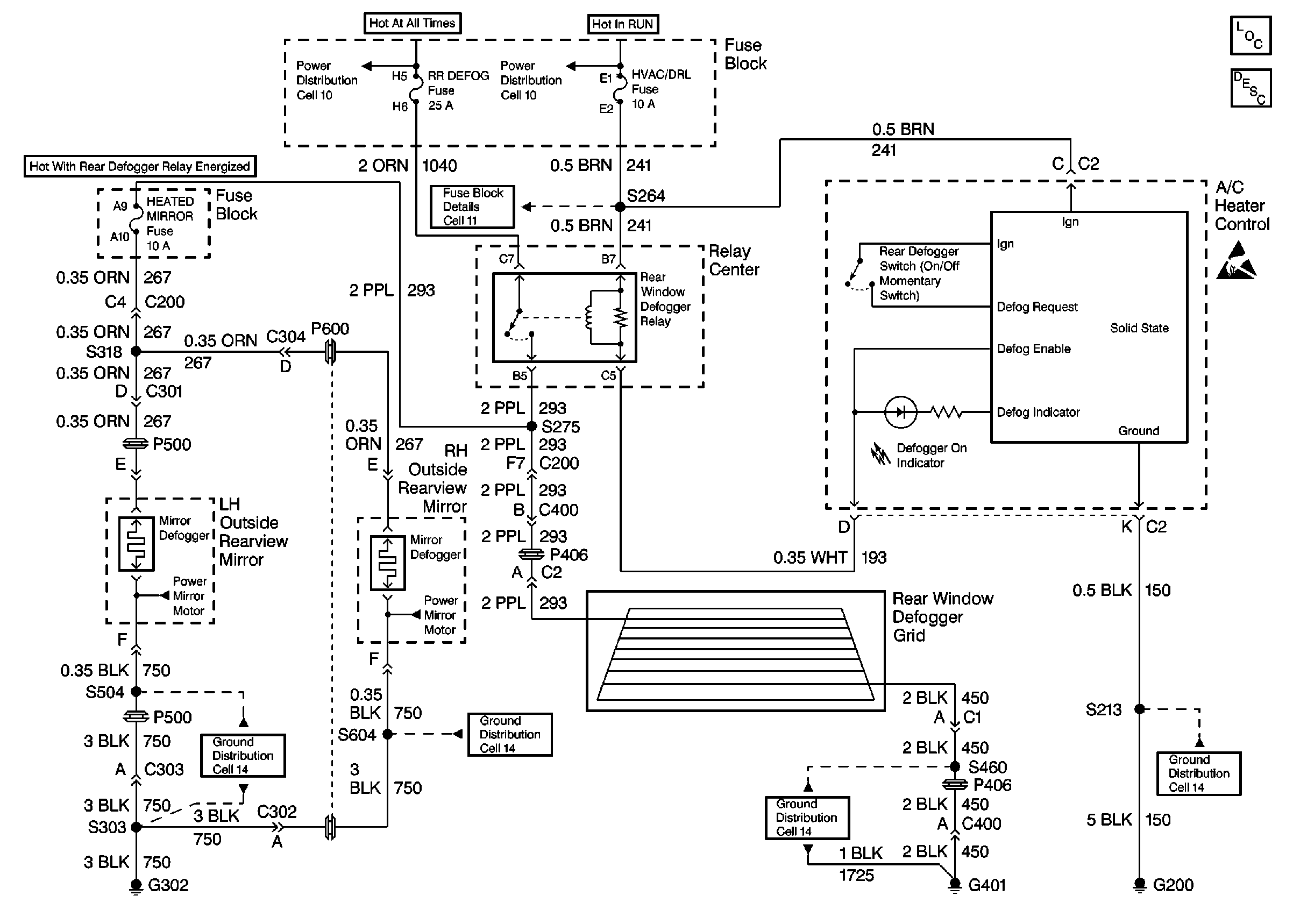
Stationary Windows Components
Rear Window Defogger Circuit Description
Handling ESD Sensitive Parts Notice
Cell 14: G302
Cell 14: G302
Cell 11: FRT HVAC Low/Med BLWR, HVAC/DRL, PWR QTR VENT, RR HVAC
Cell 14: G401
Cell 14: G200
Cell 10: Fuse Block, Underhood Accessory Wiring Junction Block
Cell 10: Ignition Switch