GM Service Manual Online
For 1990-2009 cars only
Makes
🢒
Pontiac
🢒
1998
🢒
Trans Sport Ext.
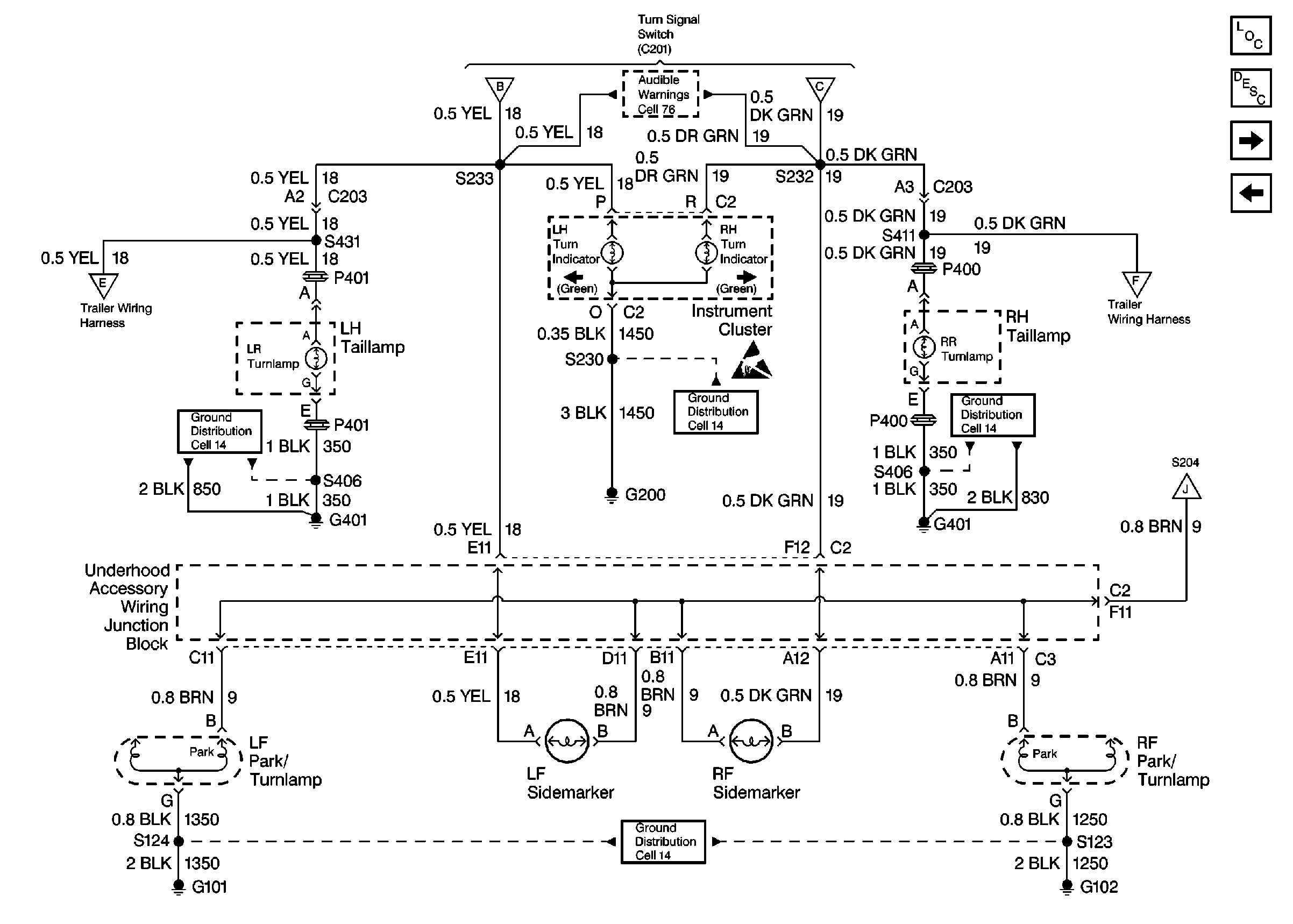
🢒 Cell 110: Taillamps, Side Markers, Park/Turn Lamps
Cell 110: Taillamps, Side Markers, Park/Turn Lamps
Cell 110: Taillamps, Side Markers, Park/Turn Lamps
Lighting Systems Components
Exterior Lights Circuit Description
Cell 110: License Lamps, Relay Center
Cell 110: Stoplamp Switch, Center High Mounted Stop Lamp
Cell 110: Hazard Lamp/Turn Signal Flasher, Turn Signal Switch
Cell 110: Hazard Lamp/Turn Signal Flasher, Turn Signal Switch
Cell 110: Fuse Block and G401
Cell 110: Fuse Block and G401
Cell 110: License Lamps, Relay Center
Cell 14: G200
Cell 14: G401 and G402
Cell 14: G101 and G102
Cell 14: G401 and G402
Handling ESD Sensitive Parts Notice