GM Service Manual Online
For 1990-2009 cars only
Makes
🢒
Pontiac
🢒
1998
🢒
Trans Sport Ext.
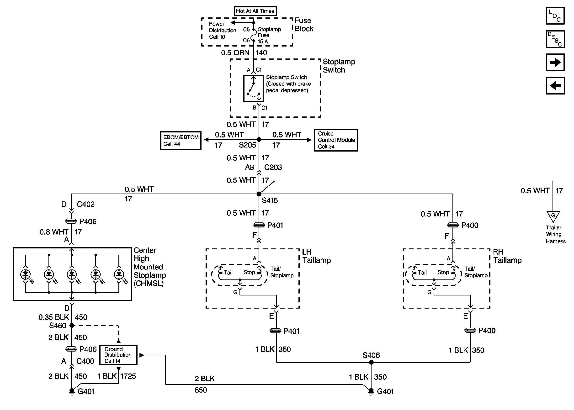
🢒 Cell 110: Stoplamp Switch, Center High Mounted Stop Lamp
Cell 110: Stoplamp Switch, Center High Mounted Stop Lamp
Cell 110: Stoplamp Switch, Center High Mounted Stop Lamp
Lighting Systems Components
Exterior Lights Circuit Description
Cell 110: Taillamps, Side Markers, Park/Turn Lamps
Cell 110: Hazard Lamp/Turn Signal Flasher, Turn Signal Switch
Cell 34
ABS/TCS Schematics ( ABS Module, DLC, Ground, Instrument Cluster, PCM, Power, Stop Lamp Switch)
Cell 14: G401
Cell 110: Fuse Block and G401