GM Service Manual Online
For 1990-2009 cars only
Makes
🢒
Pontiac
🢒
2004
🢒
Vibe - AWD
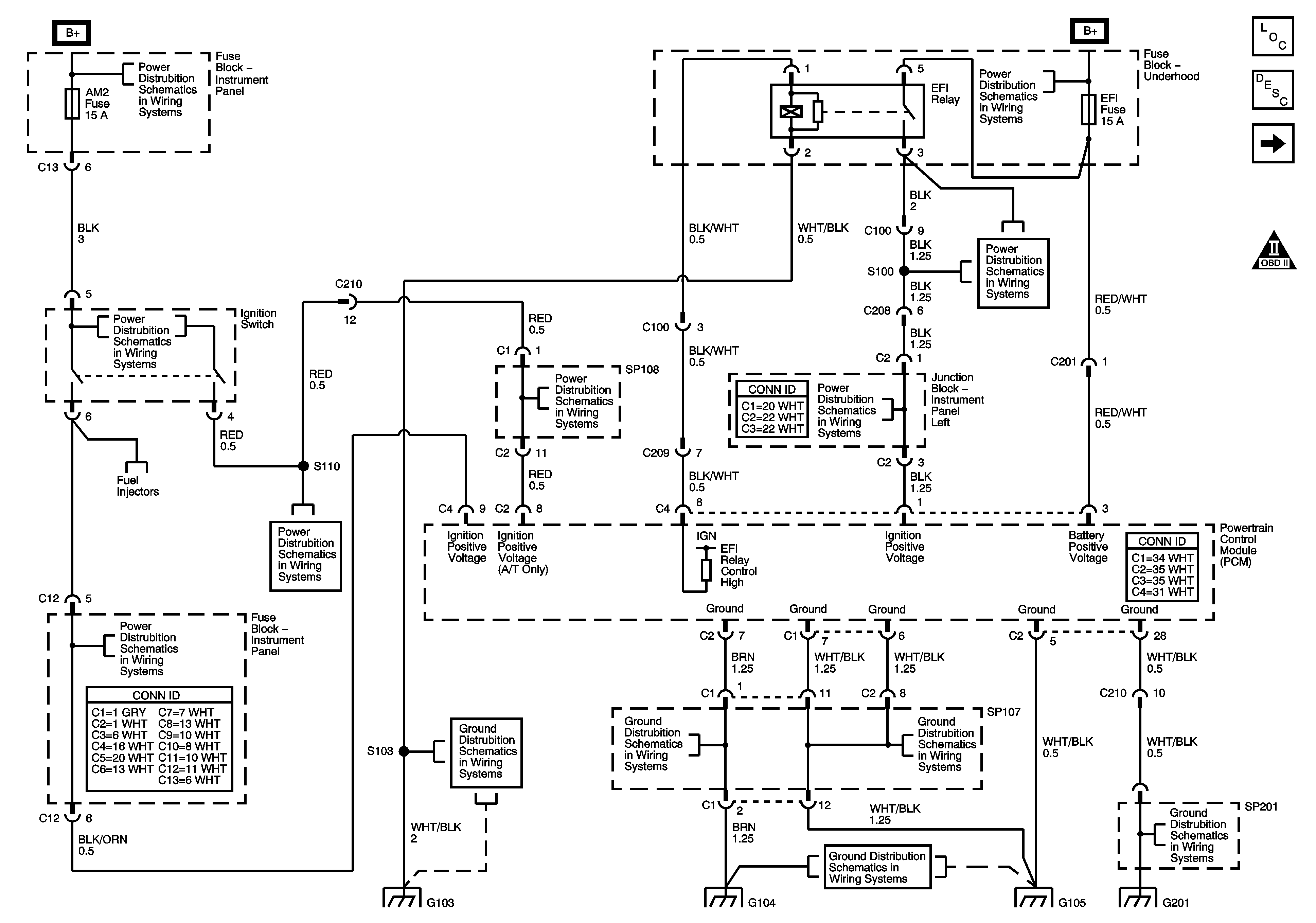
🢒 Powertrain Control Module (PCM) Power and Ground
Powertrain Control Module (PCM) Power and Ground
Powertrain Control Module (PCM) Power and Ground
Master Electrical Component List
S100
OBD II Symbol Description Notice
Horn, Dome, Main, Amp Fuses
Ignition Switch (1 of 2)
Ignition Switch (1 of 2)
Ignition Switch (2 of 2)
Ignition Switch (1 of 2)
G103
Air Pump, Headlamps, Alt S, EFI, Hazard Fuses
S 100
S 100
G104
G105, G106 and G107
SP201 and G201
G104
G105, G106 and G107