GM Service Manual Online
For 1990-2009 cars only
Makes
🢒
Pontiac
🢒
2004
🢒
Vibe - AWD
🢒 S100
S100
S 100
Master Electrical Component List
Data Link Connector (DLC) (1 of 2)
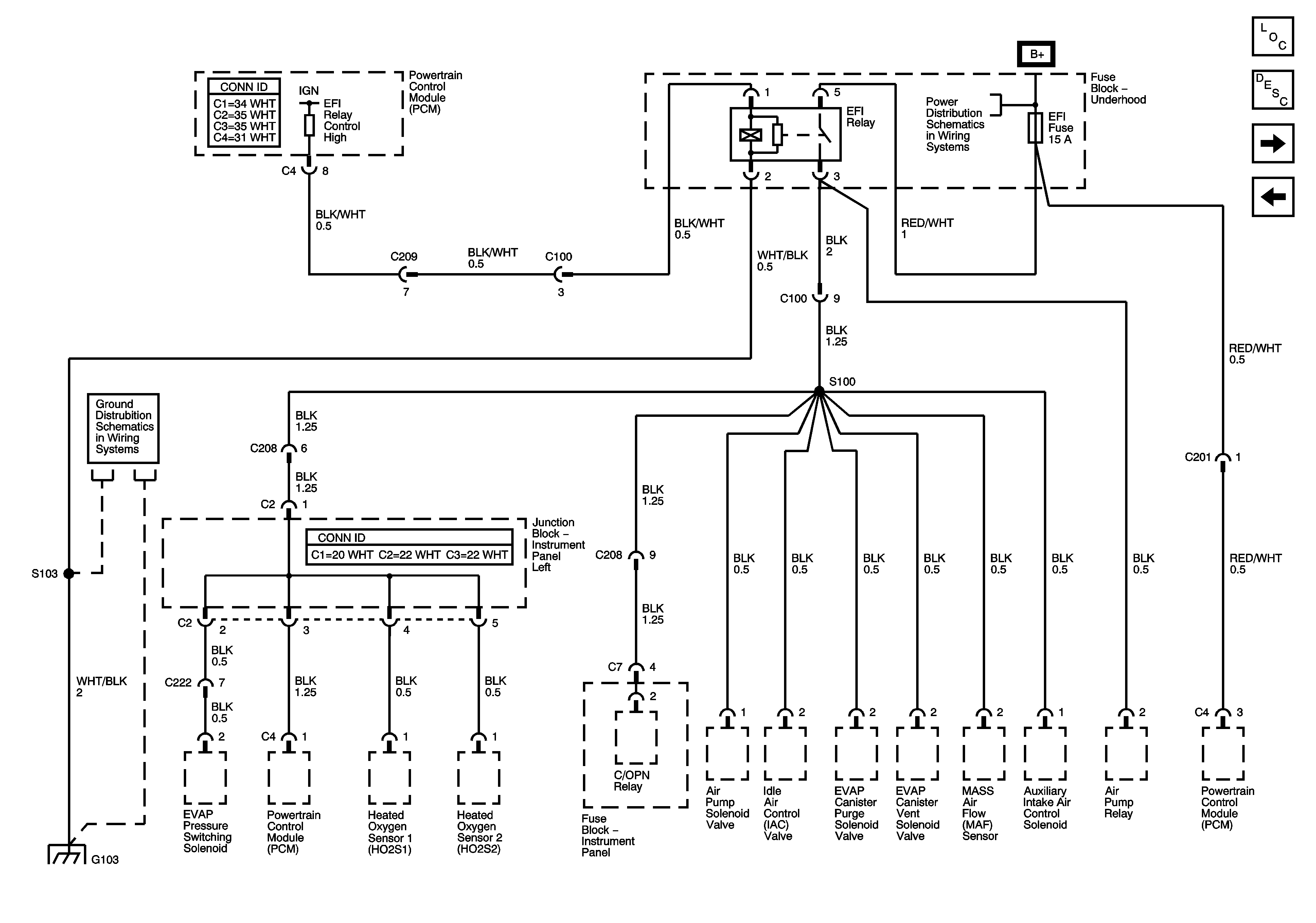
Powertrain Control Module (PCM) Power and Ground
OBD II Symbol Description Notice
G103
Air Pump, Headlamps, Alt S, EFI, Hazard Fuses